STW81101 Multi-band RF frequency synthesizer with integrated VCOs
The STMicroelectronics STW81101 is an integrated RF synthesizer with voltage controlled oscillators (VCOs). Showing high performance, high integration, low power, and multi-band performances, STW81101 is a low-cost one-chip alternative to discrete PLL and VCO solutions.
The STW81101 includes an integer-N frequency synthesizer and two fully integrated VCOs featuring low phase-noise performance and a noise floor of -155 dBc/Hz. The combination of wide frequency range VCOs (using center-frequency calibration over 32 sub-bands) and multiple output options (direct output, divided by 2, or divided by 4) allows coverage of the 825 MHz-1100 MHz, 1650 MHz-2200 MHz and 3300 MHz-4400 MHz bands.
The STW81101 is designed with STMicroelectronics advanced 0.35 µm SiGe process.
技术特性
- Integer-N Frequency Synthesizer
- Dual differential integrated VCOs with automatic center frequency calibration:
- 3300 - 3900 MHz (Direct output)
- 3800 - 4400 MHz (Direct output)
- 1650 - 1950 MHz (Internal divider by 2)
- 1900 - 2200 MHz (Internal divider by 2)
- 825 - 975 MHz (Internal divider by 4)
- 950 - 1100 MHz (Internal divider by 4)
- Excellent integrated phase noise
- Fast lock time: 150μs
- Dual modulus programmable prescaler (16/17 or 19/20)
- 2 programmable counters to achieve a feedback division ratio from 256 to 65551 (prescaler 16/17) and from 361 to 77836 (prescaler 19/20).
- Programmable reference frequency divider (10 bits)
- Phase frequency comparator and charge pump
- Programmable charge pump current
- Digital Lock Detector
- Dual Digital Bus Interface: SPI and I²C bus with 3 bit programmable address (1100A2A1A0)
- 3.3V Power Supply
- Power down mode (HW and SW)
- Small size exposed pad VFQFPN28 package 5x5x1.0mm
- Process: BICMOS 0.35μm SiGe
|
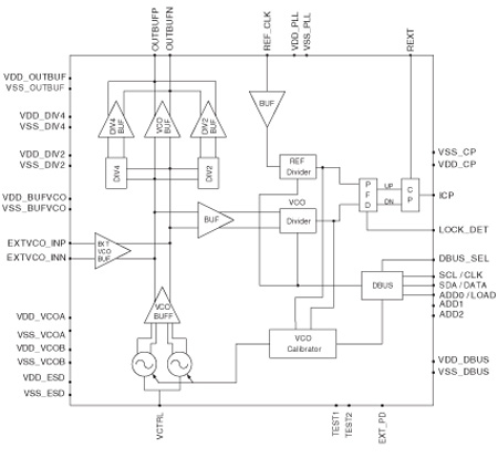
功能框图
 |
STW81101 订购信息
| 订购型号 |
产品状态 |
美金价格 |
数量 |
封装 |
包装形式 |
温度范围 |
材料声明 |
| STW81101ATR |
Active |
|
|
VFQFPN2 28 5x5x1.0 |
Tape And Reel |
|
STW81101ATR |
| STW81101AT |
Active |
|
|
VFQFPN2 28 5x5x1.0 |
Tray |
|
STW81101AT |
DATASHEET
| 描述 |
版本 |
大小 |
| STW81101 : Multi-band RF frequency synthesizer with integrated VCOs |
4 |
1336KB |
APPLICATION NOTES
| 描述 |
版本 |
大小 |
| AN2455: STWPLLSim phase noise and settling time simulator for STW8110x |
2 |
1044KB |
| AN2491: STW8110x hardware component layer API guide |
1 |
156KB |
| AN2452: STW8110x evaluation board and graphical user interface |
3 |
1304KB |
FLYERS
| 描述 |
版本 |
大小 |
| STW81101 : Integrated multi-band RF synthesizers |
1.0.0 |
115KB |