STW81102 Multi-band RF frequency synthesizer with integrated VCOs

The STMicroelectronics STW81102 is an integrated RF synthesizer with voltage controlled oscillators (VCOs). Showing high performance, high integration, low power, and multi-band performances, the STW81102 is a low-cost one-chip alternative to discrete PLL and VCOs solutions.

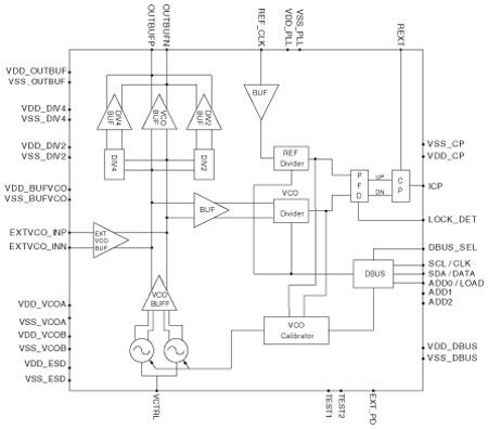
The STW81102 includes an Integer-N frequency synthesizer and two fully integrated VCOs featuring low phase noise performance and a noise floor of -155 dBc/Hz.

The combination of wide frequency range VCOs (using center-frequency calibration over 32 subbands) and multiple output options (direct output, divided by 2 or divided by 4) allows coverage from 750 MHz to 905 MHz and 1000MHz to 1162.5 MHz, from 1500MHz to 1810 MHz and 2000 MHz to 2325MHz, from 3000 MHz to 3620 MHz and 4000MHz to 4650 MHz bands.

The STW81102 is designed with STMicroelectronics advanced 0.35µm SiGe process.

技术特性
  • Integer-N frequency synthesizer
  • Dual differential integrated VCOs with automatic center frequency calibration:
    • 3000 - 3620 MHz (Direct output)
    • 4000 - 4650 MHz (Direct output)
    • 1500 - 1810 MHz (Internal divider by 2)
    • 2000 - 2325 MHz (Internal divider by 2)
    • 750 - 905 MHz (Internal divider by 4)
    • 1000 - 1162.5 MHz (Internal divider by 4)
  • Excellent integrated phase noise
  • Fast lock time: 150μs
  • Dual modulus programmable prescaler (16/17 or 19/20)
  • 2 programmable counters to achieve a feedback division ratio from 256 to 65551 (prescaler 16/17) and from 361 to 77836 (prescaler 19/20).
  • Programmable reference frequency divider (10 bits)
  • Phase frequency comparator and charge pump
  • Programmable charge pump current
  • Digital lock detector
  • Dual digital bus Interface: SPI and I²C bus with 3 bit programmable address (1100A2A1A0)
  • 3.3V power supply
  • Power down mode (HW and SW)
  • Small size exposed pad VFQFPN28 package 5x5x1.0mm
  • Process: BICMOS 0.35μm SiGe
功能框图
STW81102 订购信息
订购型号 产品状态 美金价格 数量 封装 包装形式 温度范围 材料声明
STW81102ATR Active     VFQFPN2 28 5x5x1.0 Tape And Reel   STW81102ATR
STW81102AT Active     VFQFPN2 28 5x5x1.0 Tray   STW81102AT
DATASHEET
描述 版本 大小
STW81102 : Multi-band RF frequency synthesizer with integrated VCOs 5 1322KB
APPLICATION NOTES
描述 版本 大小
AN2455: STWPLLSim phase noise and settling time simulator for STW8110x 2 1044KB
AN2491: STW8110x hardware component layer API guide 1 156KB
AN2452: STW8110x evaluation board and graphical user interface 3 1304KB
FLYERS
描述 版本 大小
STW81102 : Integrated multi-band RF synthesizers 1.0.0 115KB