厚膜固定电阻网络具有体积小、功率大、可靠性高、跟踪特性好、品种多和价格便宜等特点,可广泛应用于各种电子仪器、自动化控制设备以及家用电器等方面。此外,我公司还可按用户要求设计、生产各种非标的厚膜电阻网络、阻容网络和有源的网络组件。
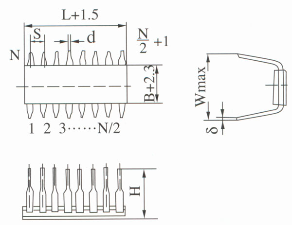
SIP (单列直插式)外形图及外形尺寸。单位为毫米。
| 格型号 | 尺寸 |
引出线 N | 封装形式 | ||||||||||
| L | B | W | H | S | D | δ | |||||||
SIP-AK SIP-DK SIP-EK |
15 | 6 |
3.6 |
13 |
2.54 |
0.5 |
0.25 |
4、 5 、 6 | 树脂包封 塑料壳灌封 |
||||
| 20 | 6 、 7 、 8 | ||||||||||||
| 25 | 8 、 9 、 10 | ||||||||||||
| 30 | 10 、 11 、 12 | ||||||||||||
| 规格型号 | 尺寸 |
引出线 N | 封装形式 | ||||||||||
| L | B | W | H | S | D | δ | |||||||
| SIP-AK SIP-DK SIP-EK |
18.0 21.5 |
7 | 9.0 | 10.0 | 2.54 | 0.5 | 0.25 | 14 16 |
a 、树脂涂覆 b 、玻璃釉涂覆 c 、塑壳灌封 | ||||


规格型号 |
70 ℃元件额定功耗( W) |
70 ℃网络额定功耗( W) |
元件阻值范围( Ω ) |
元件阻值允许偏差为 ( %) |
元件电阻温度系数 ( × 10 -6 /℃) |
元件极限电压 ( 直流或交流有效值 ) ( V ) |
元件绝缘电压 ( 直流或交流峰值 ) ( V ) |
SIP-AK |
0.05 |
1 5 |
10-20M |
± 1(F) ± 2(G) ± 5(j) |
± 250 ± 100 |
100 |
150 |
SIP-DK |
0.125 |
||||||
SIP-EK |
0.25 |
||||||
DIP-AK |
0.05 |
||||||
DIP-DK |
0.125 |
||||||
DIP-EK |
0.25 |

订货方应在订货合同中写明:规格型号一标称阻值及其允许值偏差。例如:单列直插式电阻网络,第 4 种电路形式,单个电阻标称阻值为 200K Ω , 阻值允许偏差为 ± 2%,引出线数为12,写为:SIP-4- 200K Ω ± 2%-12
又如:双列直插式电阻网络,第 8 种电路形式,单个电阻标称阻值为 100K Ω , 阻值允许偏差为 ± 5%,引出线数为14,写为:DIP-8- 100K Ω ± 5%-14
注:如果所需某种电路形式的电阻网络,以元件额定功耗按网络中的电阻个数累积计算的总功耗大于网络额定功耗时,应同时标注元件额定功耗和网络额定功耗。如上例 2中,当元件额定功耗为0.25W时,若网络额定功耗为1W或1.5W,应分别标记。
DIP-8- 100K Ω ± 5%-14-0.25W/1W DIP-8- 100K Ω ± 5%-14-0.25W/1.5W
公司标准代号、名称: Q/08RRN005-1990 HM91 型厚膜固定电阻网络