金属箔温度补偿电阻器利用引进技术和工艺研制、生产的新型热敏电阻元件。该产品在较宽的环境温度范围内具有良好的线必电阻 - 温度特性。可广泛应用于高精度电阻应变传感器、半导体电路和热电偶冷接点的温度补偿,也可作为温度传感器件使用。
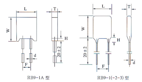
单位为毫米。
| 格型号 | 最大尺寸 |
最小尺寸 | ||||
| L | W | T | F | d | H | |
| RB9-1A | 7.7 ± 0.1 | 8.0 | 3.0 | 3.9 | Ф0.60 ± 0.05 | 0.3 ± 0.1 |
| RB9-1 | 6.1 ± 0.1 | 6.5 ± 0.1 | 2.1 ± 0.1 | 3.8 | Ф0.60 ± 0.05 | 0.9 ± 0.1 |
| RB9-2 | 4.9 ± 0.1 | 6.0 ± 0.1 | 2.1 ± 0.1 | 2.8 | Ф0.50 ± 0.05 | 0.6 ± 0.1 |
| RB9-3 | 3.0 ± 0.1 | 5.0 ± 0.1 | 2.1 ± 0.1 | 1 | Ф0.50 ± 0.05 | 0.6 ± 0.1 |
| 型号和规格型号 | 封装方式 | 标称阻值范围( Ω ) | 阻值允许偏差 (±%) | 电阻温度系数 ( × 10 -6 /℃) | 额定功率 (W) (25 ℃ ) |
| RB9-1A RB9-1 | 塑壳或无定型 | 5-800 | 1.2.5 | 4500-5500 注 | 0.25 |
| RB9-2 RB9-3 | 无定型 | 5-500 |
注:电阻温度系数按温度范围不同有所不同,但离散性不大于 ± 1%。
订货应在订货合同中写明:产品型号 -标称阻值(0℃或25℃) 。例如:标称阻值( 25℃)为32 Ω ,应写为 RB9-32(25℃)
企业标准代号、名称: Q/RRN008-2005 RB9 型金属箔温度补偿电阻器