ADUM1210: 双通道数字隔离器
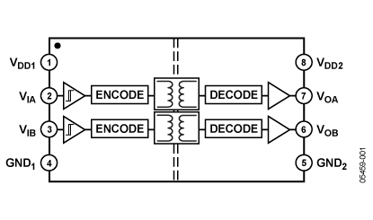
ADuM1210是一款采用ADI公司iCoupler®技术的双通道数字隔离器。这款隔离器件将高速CMOS与单芯片变压器技术融为一体,具有优于光耦合器等替代器件的出色性能特征。
iCoupler 器件不用LED和光电二极管,因而不存在一般与光耦合器相关的设计困难。简单的iCoupler 数字接口和稳定的性能特征,可消除光耦合器通常具有的电流传输比不确定、非线性传递函数以及温度和使用寿命影响等问题。iCoupler 产品不需要外部驱动器和其它分立器件。此外,在信号数据速率相当的情况下,iCoupler 器件的功耗只有光耦合器的1/10至1/6。
ADuM1210隔离器提供两个独立的隔离通道,任一端可采用2.7 V至5.5 V电源电压工作,与低压系统兼容,并且能够跨越隔离栅实现电压转换功能。此外,ADuM1210具有低脉冲宽度失真(小于3 ns)和严格的通道间匹配(小于3 ns)特性。与其它光耦合器不同,ADuM1210隔离器具有已取得专利的刷新特性,可确保不存在输入逻辑转换时及上电/关断条件下的直流正确性。此外,当输入电源关断时,ADuM1210的默认输出为逻辑低状态,而双通道数字隔离器ADuM1200的默认输出则为逻辑高状态。
技术特性
- 8引脚窄体SOIC封装,符合RoHS标准
- 3 V/5 V 电平转换
- 工作温度最高可达105°C
- 高数据速率:DC至10 Mbps (NRZ)
低功耗工作
- 5 V 工作电压
每个通道1.1 mA(最大值,0 Mbps至2 Mbps)
每个通道3.7 mA(最大值,10 Mbps)
- 3 V工作电压
每个通道0.8 mA(最大值,0 Mbps至2 Mbps)
每个通道2.2 mA(最大值,10 Mbps)
- 精密定时特性
脉冲宽度失真:3 ns(最大值)
通道间匹配:3 ns(最大值)
- 高共模瞬变抗扰度:>25 kV/µs
- 安全和法规认证
UL 认证
1分钟2500 Vrms,符合UL 1577标准
CSA 元件验收通知#5A
符合VDE标准证书
DIN V VDE V 0884-10 (VDE V 0884-10): 2006-12
VIORM = 560 V 峰值
|
技术指标
- # Ch: 2
- # of Inputs Side 1: 2
- # of Inputs Side 2: 0
- Max Data Rate: 10Mbps
- Insulation Rating (kVrms): 2.5kV rms
- Max Prop Delay (ns): 50ns
- Max Pos Supply (V): +5.5V
- Max Operating Temp (°C): 105Deg
应用领域
- 尺寸至关重要的多通道隔离
- SPI 接口/数据转换器隔离
- RS-232/RS-422/RS-485 收发器隔离
- 数字现场总线隔离
- 栅极驱动接口
|
订购指南
| 产品型号 |
封装 |
引脚 |
温度范围 |
包装和数量 |
报价*(100-499) |
报价*1000 pcs |
RoHS |
| ADUM1210BRZ 产品状态: 量产 |
8 ld SOIC |
8 |
工业 |
Tube, 98 |
$ 2.02 |
$ 1.78 |
Y 材料信息 |
| ADUM1210BRZ-RL7 产品状态: 量产 |
8 ld SOIC |
8 |
工业 |
Reel, 1000 |
- |
$ 1.78 |
Y 材料信息 |
ADuM1210 应用技术支持与电子电路设计开发资源下载
- ADuM1210 数据手册DataSheet下载 Rev C, 07/2007 (pdf 1093kB). pdf
- Analog Devices, Inc.ADI 美国模拟器件公司产品订购手册 .pdf
- ADC模数转换器选型指南 . pdf