ADUM2400: 四通道数字隔离器

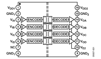
ADuM2400 功能框图ADuM2400是采用ADI公司iCoupler® 技术的四通道数字隔离器。这些隔离器件将高速CMOS与单芯片空芯变压器技术融为一体,具有优于光耦合器等替代器件的出色性能特征。

iCoupler 器件不用LED和光电二极管,因而不存在一般与光耦合器相关的设计困难。简单的iCoupler数字接口和稳定的性能特征,可消除光耦合器通常具有的电流传输比不确定、非线性传递函数以及温度和使用寿命影响等问题。此外,在信号数据速率相当的情况下, iCoupler 器件的功耗只有光耦合器的1/10至1/6。

ADuM2400隔离器提供四个独立的隔离通道,支持多种通道配置和数据速率(请参考“订购指南”)。所有型号均可采用2.7 V至5.5 V电源电压工作,与低压系统兼容,并且能够跨越隔离栅实现电压转换功能。此外,ADuM2400具有低脉冲宽度失真(CRWZ级小于2 ns)和严格的通道间匹配(CRWZ级小于2 ns)特性。与其它光耦合器不同,ADuM2400隔离器具有已取得专利的刷新特性,可确保不存在输入逻辑转换时及上电/关断条件下的直流正确性。

技术特性
  • 低功耗工作
    • 5 V 工作电压 - 请参考数据手册
    • 3 V 工作电压 - 请参考数据手册
    • 双向通信
    • 3 V/5 V 电平转换
  • 工作温度最高可达105°C
  • 高数据速率:DC至90 Mbps (NRZ)
  • 精密定时特性
    脉冲宽度失真:2 ns(最大值)
    通道间匹配:2 ns(最大值)
  • 欲了解更多特性,请参考数据手册
技术指标
  • # Ch: 4
  • # of Inputs Side 1: 4
  • # of Inputs Side 2: 0
  • Max Data Rate: 90Mbps
  • Insulation Rating (kVrms): 5kV rms
  • Max Prop Delay (ns): 32ns
  • Max Pos Supply (V): +5.5V
  • Max Operating Temp (°C): 105Deg
应用领域
  • 通用高压多通道隔离
  • 医疗设备
  • 电机驱动
  • 电源
订购指南
产品型号 封装 引脚 温度范围 包装和数量 报价*(100-499) 报价*1000 pcs RoHS
ADUM2400ARIZ 产品状态: 量产 SOIC INCREASED CREEPAGE 16 工业 Tube, 37 $ 3.61 $ 2.78 Y  材料信息
ADUM2400ARIZ-RL 产品状态: 量产 SOIC INCREASED CREEPAGE 16 工业 Reel, 1000 - $ 2.78 Y  材料信息
ADUM2400ARWZ 产品状态: 量产 16 ld SOIC - Wide 16 工业 Tube, 47 $ 3.61 $ 2.78 Y  材料信息
ADUM2400ARWZ-RL 产品状态: 量产 16 ld SOIC - Wide 16 工业 Reel, 1000 $ 0.00 $ 2.78 Y  材料信息
ADUM2400BRIZ 产品状态: 量产 SOIC INCREASED CREEPAGE 16 工业 Tube, 37 $ 5.27 $ 4.05 Y  材料信息
ADUM2400BRIZ-RL 产品状态: 量产 SOIC INCREASED CREEPAGE 16 工业 Reel, 1000 - $ 4.05 Y  材料信息
ADUM2400BRWZ 产品状态: 量产 16 ld SOIC - Wide 16 工业 Tube, 47 $ 5.27 $ 4.05 Y  材料信息
ADUM2400BRWZ-RL 产品状态: 量产 16 ld SOIC - Wide 16 工业 Reel, 1000 $ 0.00 $ 4.05 Y  材料信息
ADUM2400CRIZ 产品状态: 量产 SOIC INCREASED CREEPAGE 16 工业 Tube, 37 $ 6.80 $ 5.23 Y  材料信息
ADUM2400CRIZ-RL 产品状态: 量产 SOIC INCREASED CREEPAGE 16 工业 Reel, 1000 - $ 5.23 Y  材料信息
ADUM2400CRWZ 产品状态: 量产 16 ld SOIC - Wide 16 工业 Tube, 47 $ 6.80 $ 5.23 Y  材料信息
ADUM2400CRWZ-RL 产品状态: 量产 16 ld SOIC - Wide 16 工业 Reel, 1000 $ 0.00 $ 5.23 Y  材料信息
开发工具
产品型号 描述 报价 RoHS
EVAL-ADUMQSEBZ 产品状态: 量产 Evaluation Board $ 25.00
ADuM2400 应用技术支持与电子电路设计开发资源下载
  1. ADuM2400 数据手册DataSheet下载 Rev E, 03/2012 (pdf 563kB). pdf
  2. Analog Devices, Inc.ADI 美国模拟器件公司产品订购手册 .pdf
  3. ADC模数转换器选型指南 . pdf