ADUM3201: 双通道数字隔离器,具有增强的系统级ESD可靠性

ADuM3201是采用ADI公司iCoupler® 技术的双通道数字隔离器。这些隔离器件将高速CMOS与单芯片变压器技术融为一体,具有优于光耦合器等替代器件的出色性能特征。iCoupler器件不用LED和光电二极管,因而不存在一般与光耦合器相关的设计困难。简单的iCoupler 数字接口和稳定的性能特征,可消除光耦合器通常具有的电流传输比不确定、非线性传递函数以及温度和使用寿命影响等问题。这些iCoupler 产品不需要外部驱动器和其它分立器件。此外,在信号数据速率相当的情况下,iCoupler 器件的功耗只有光耦合器的1/10至1/6。ADuM3201隔离器提供两个独立的隔离通道,支持多种通道配置和数据速率(请参考数据手册“订购指南”部分)。两款器件均可采用2.7 V至5.5 V电源电压工作,与低压系统兼容,并且能够跨越隔离栅实现电压转换功能。ADuM3201隔离器具有已取得专利的刷新特性,可确保不存在输入逻辑转换时及上电/关断条件下的直流正确性。

技术特性
  • 增强的系统级ESD保护性能,符合IEC 61000-4-x标准
  • 工作温度最高可达:125℃
  • 8引脚窄体SOIC封装,符合RoHS标准
  • 8引脚窄体SOIC封装,符合RoHS标准

低功耗工作

  • 低功耗工作
    - 5 V 工作电压(请参考数据手册)
    - 3 V 工作电压(请参考数据手册)
  • 高共模瞬变抗扰度:>25 kV/μs
  • 双向通信
    - 3 V/5 V 电平转换
    - 高数据速率:dc 至 25 Mbps(NRZ)
    - 精密定时特性(请参考数据手册)

安全和法规认证

  • - UL认证1分钟2500 V rms,符合UL 1577标准 – CSA元件验收通知#5A – VDE合格证书(请参考数据手册)
  • 通过汽车应用认证
  • AEC-Q100汽车应用认证
技术指标
  • # Ch: 2
  • # of Inputs Side 1: 1
  • # of Inputs Side 2: 1
  • Max Data Rate: 25Mbps
  • Insulation Rating (kVrms): 2.5kV rms
  • Max Prop Delay (ns): 45ns
  • Max Pos Supply (V): +5.5V
  • Max Operating Temp (°C): 105Deg
应用领域
  • 尺寸至关重要的多通道隔离
  • SPI 接口/数据转换器隔离
  • RS-232/RS-422/RS-485收发器隔离
  • 数字现场总线隔离
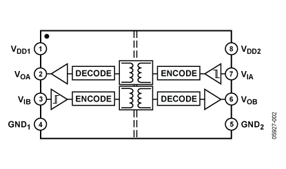
功能框图

ADuM3201 功能框图

订购指南
产品型号 封装 引脚 温度范围 包装和数量 报价*(100-499) 报价*1000 pcs RoHS
ADUM3201ARZ 产品状态: 量产 8 ld SOIC 8 工业 Tube, 98 $ 1.45 $ 1.11 Y  材料信息
ADUM3201ARZ-RL7 产品状态: 量产 8 ld SOIC 8 工业 Reel, 1000 - $ 1.11 Y  材料信息
ADUM3201BRZ 产品状态: 量产 8 ld SOIC 8 工业 Tube, 98 $ 2.12 $ 1.63 Y  材料信息
ADUM3201BRZ-RL7 产品状态: 量产 8 ld SOIC 8 工业 Reel, 1000 - $ 1.63 Y  材料信息
ADUM3201CRZ 产品状态: 量产 8 ld SOIC 8 工业 Tube, 98 $ 2.93 $ 2.26 Y  材料信息
ADUM3201CRZ-RL7 产品状态: 量产 8 ld SOIC 8 工业 Reel, 1000 - $ 2.26 Y  材料信息
ADUM3201WARZ 产品状态: 量产   8 汽车级 Tube, 98 $ 1.65 $ 1.27 Y  材料信息
ADUM3201WARZ-RL7 产品状态: 量产   8 汽车级 Reel, 1000 - $ 1.27 Y  材料信息
ADUM3201WBRZ 产品状态: 量产   8 汽车级 Tube, 98 $ 2.42 $ 1.86 Y  材料信息
ADUM3201WBRZ-RL7 产品状态: 量产   8 汽车级 Reel, 1000 - $ 1.86 Y  材料信息
ADUM3201WCRZ 产品状态: 量产   8 汽车级 Tube, 98 $ 3.34 $ 2.57 Y  材料信息
ADUM3201WCRZ-RL7 产品状态: 量产   8 汽车级 Reel, 1000 - $ 2.57 Y  材料信息
ADuM3201 应用技术支持与电子电路设计开发资源下载
  1. ADuM3201 数据手册DataSheet下载 Rev C, 02/2012 (pdf 512kB). pdf
  2. Analog Devices, Inc.ADI 美国模拟器件公司产品订购手册 .pdf
  3. ADC模数转换器选型指南 . pdf