ADUM3220: 4 A 双通道门极驱动器

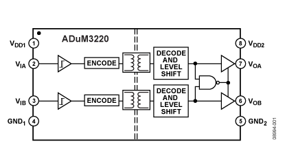
ADUM3220 功能框图ADuM3220是一款基于ADI公司 iCoupler® 技术的4 A隔离式双通道门极驱动器。这款隔离器件结合了高速CMOS工艺和单片变压器技术,能够提供比脉冲变压器和门极驱动器组合等传统解决方案更优异的性能特性。                                      

ADuM3220隔离器提供两个独立的隔离通道。最大传播延迟为60 ns,通道间匹配为5 ns。与采用高压电平转换方法的门极驱动器相比,ADuM3220的输入与各输出之间具有真电流隔离优势,能够跨越隔离栅实现电压转换功能。ADuM3220具有门极驱动应用所需的直通保护逻辑和默认低压输出特性。其输入电源电压范围为3.0 V至5.5 V,与低压系统兼容。输出电源电压范围为5 V至18 V,支持同步DC/DC转换器的典型门极驱动电压。ADuM3220隔离器包含多项电路和布局改进,可针对系统级IEC 61000-4-x测试标准(ESD、突发脉冲和浪涌)提供增强功能。这些测试的准确性主要取决于用户电路板或模块的设计与布局。更多信息,请参考应用笔记AN-793:“iCoupler隔离产品的ESD/闩锁考虑”. ADuM3220额定结温范围为−40°C至125°C。

技术特性
  • 峰值输出电流:4 A
  • 精密定时特性
    隔离器和驱动器传播延迟:60 ns(最大值)通道间匹配:5 ns(最大值)
  • 高工作结温:125°C
  • 3.3 V至5 V输入逻辑
  • 4.5 V至18 V输出驱动
  • UVLO:2.5 V VDD1和4.1 V VDD2
  • 热关断保护:>150°C
  • 输出直通逻辑保护
  • 默认低压输出
  • 高工作频率:DC至1 MHz
  • CMOS 输入逻辑电平
  • 欲了解更多特性,请参考数据手册
技术指标
  • # Ch: 2
  • Insulation Rating (kVrms): 2.5kV rms
  • Isolated Output (V)min: 4.5V
  • Isolated Output (V)max: 18V
  • Max Operating Temp (°C): 125Deg
应用领域
  • 隔离式同步DC/DC转换器
  • MOSFET/IGBT门极驱动器
订购指南
产品型号 封装 引脚 温度范围 包装和数量 报价*(100-499) 报价*1000 pcs RoHS
ADUM3220ARZ 产品状态: 量产 8 ld SOIC 8 工业 Tube, 98 $ 2.08 $ 1.84 Y  材料信息
ADUM3220ARZ-RL7 产品状态: 量产 8 ld SOIC 8 工业 Reel, 1000 - $ 1.84 Y  材料信息
ADUM3220BRZ 产品状态: 量产 8 ld SOIC 8 工业 Tube, 98 $ 2.08 $ 1.84 Y  材料信息
ADUM3220BRZ-RL7 产品状态: 量产 8 ld SOIC 8 工业 Reel, 1000 - $ 1.84 Y  材料信息
ADUM3220 应用技术支持与电子电路设计开发资源下载
  1. ADUM3220 英文数据手册DataSheet下载 . pdf (Rev B, 04/2011 pdf 669kB)
  2. ADUM3220 中文数据手册DataSheet下载 . pdf (Rev B, 04/2011 pdf 669kB)
  3. Analog Devices, Inc.ADI 美国模拟器件公司产品订购手册 .pdf
  4. ADC模数转换器选型指南 . pdf