ACTS74MS: CMOS Dual D Type Flip Flop with Set and Reset, Advanced Logic

The Intersil ACTS74MS is a Radiation Hardened Dual D Flip Flop with Set(s) and Reset (R). The logic level at data input is transferred to the output during the positive transition of the clock. The Set and Reset are independent from the clock and accomplished by a low level on the appropriate input.

The ACTS74MS utilizes advanced CMOS/SOS technology to achieve high-speed operation. This device is a member of a radiation hardened, high-speed, CMOS/SOS Logic Family.

The ACTS74MS is supplied in a 14 lead Ceramic Flatpack (K suffix) or a 14 Lead Ceramic Dual-In-Line Package (D suffix).

Key Features
  • Devices QML Qualified in Accordance with MIL-PRFF-38535
  • Detailed Electrical and Screening Requirements are Contained in SMD# 5962-96713 and Intersil's QM Plan
  • 1.25 Micron Radiation Hardened SOS CMOS
  • Total Dose >300K RAD (Si)
  • Single Event Upset (SEU) Immunity: <1 x 10-10 Errors/Bit/Day (Typ)
  • SEU LET Threshold >100 MEV-cm2/mg
  • Dose Rate Upset >1011 RAD (Si)/s, 20ns Pulse
  • Dose Rate Survivability >1012 RAD (Si)/s, 20ns Pulse
  • Latch-Up Free Under Any Conditions
  • Military Temperature Range -55°C to +125°C
  • Significant Power Reduction Compared to ALSTTL Logic
  • DC Operating Voltage Range 4.5V to 5.5V
  • Input Logic Levels
    • VIL = 0.8V Max
    • VIH = VCC/2 Min
  • Input Current ≤ 1µA at VOL, VOH
  • Fast Propagation Delay 20ns (Max), 13ns (Typ)
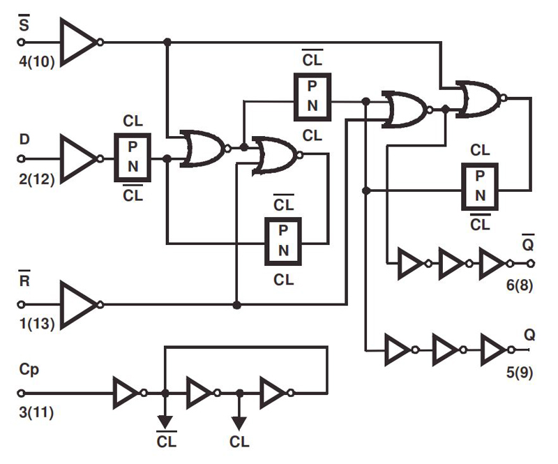
Typical Diagram
Application Notes
TitleTypeUpdatedSizeOther Languages
AN9867: End of Life Derating: A Necessity or Over KillPDF13 Nov 201435 KB
AN9654: Use of Life Tested PartsPDF13 Nov 201458 KB
Datasheets
TitleTypeUpdatedSizeOther Languages
ACTS74MS DatasheetPDF14 Nov 2014117 KB
Standard Microcircuit Drawings
TitleTypeUpdatedSizeOther Languages
SMD 5962-96713 (ACTS74MS)PDF12 Jan 2015
Miscellaneous
TitleTypeUpdatedSizeOther Languages
Intersil Commercial Lab ServicesPDF18 Nov 2014364 KB
Order Information
Part NumberPackage TypeWeight(g)PinsMSL RatingPeak Temp (°C)RoHS Status
ACTS74HMSR-02Not Applicable - Contact UsN/ARoHS
ACTS74MS Datasheet 14 Nov 2014
ACTS74MS
AN9867: End of Life Derating: A Necessity or Over Kill 13 Nov 2014
AN9654: Use of Life Tested Parts 13 Nov 2014
SMD 5962-96713 (ACTS74MS) 12 Jan 2015
Intersil Commercial Lab Services 18 Nov 2014