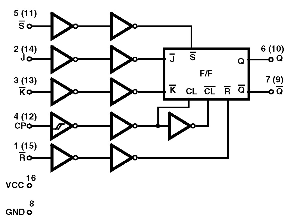
The Intersil HCS109MS is a Radiation Hardened Dual JK Flip Flop with set and reset. The flip flop changes state with the positive transition of the clock (CP1 or CP2).
The HCS109MS utilizes advanced CMOS/SOS technology to achieve high-speed operation. This device is a member of radiation hardened, high-speed, CMOS/SOS Logic Family.
The HCS109MS is supplied in a 16 lead Ceramic flatpack (K suffix) or a SBDIP Package (D suffix).
Key Features
- 3 Micron Radiation Hardened SOS CMOS
- Total Dose 200K RAD (Si)
- SEP Effective LET No Upsets: >100 MEV-cm2/mg
- Single Event Upset (SEU) Immunity < 2 x 10-9 Errors/ Bit-Day (Typ)
- Dose Rate Survivability: >1 x 1012 RAD (Si)/s
- Dose Rate Upset >1010 RAD (Si)/s 20ns Pulse
- Cosmic Ray Upset Immunity < 2 x 10-9 Errors/Bit-Day (Typ)
- Latch-Up Free Under Any Conditions
- Military Temperature Range: -55oC to +125oC
- Significant Power Reduction Compared to LSTTL ICs
- DC Operating Voltage Range: 4.5V to 5.5V
- Input Logic Levels
- VIL = 30% of VCC Max
- VIH = 70% of VCC Min
- Input Current Levels Ii ≤ 5µA at VOL, VOH

Order Information| Part Number | Package Type | Weight(g) | Pins | MSL Rating | Peak Temp (°C) | RoHS Status |
|---|
|
| HCS109DMSR | 16 Ld SBDIP | 1.37 | 16 | N/A | NA | RoHS |
|
|
| HCS109HMSR | Not Applicable - Contact Us | | | N/A | | RoHS |
|
|
| HCS109KMSR | 16 Ld CFP | 0.59 | 16 | N/A | NA | RoHS |
|
|