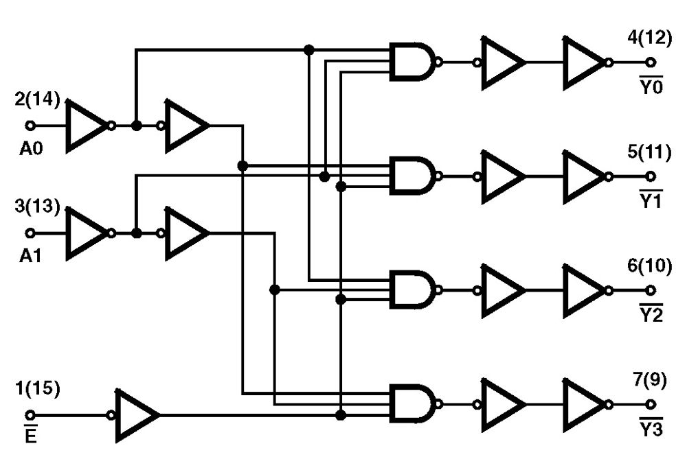
The Intersil HCTS139MS is a Radiation Hardened 2-to-4 line Decoder/Demultiplexer with an active low enable (E). Data on the select inputs (A0, A1) cause one of the four normally high outputs to go to a low logic level. The Demultiplexing function is performed by using the enable input as the data input.
The HCTS139MS utilizes advanced CMOS/SOS technology to achieve high-speed operation. This device is a member of radiation hardened, high-speed, CMOS/SOS Logic Family with TTL input compatibility.
The HCTS139MS is supplied in a 16 lead Ceramic flatpack (K suffix) or a SBDIP Package (D suffix).
Key Features
- 3 Micron Radiation Hardened SOS CMOS
- Total Dose 200K RAD (Si)
- SEP Effective LET No Upsets: >100 MEV-cm2/mg
- Single Event Upset (SEU) Immunity < 2 x 10-9 Errors/ Bit-Day (Typ)
- Dose Rate Survivability: >1 x 1012 RAD (Si)/s
- Dose Rate Upset >1010 RAD (Si)/s 20ns Pulse
- Latch-Up Free Under Any Conditions
- Fanout (Over Temperature Range)
- Bus Driver Outputs - 15 LSTTL Loads
- Military Temperature Range: -55oC to +125oC
- Significant Power Reduction Compared to LSTTL ICs
- DC Operating Voltage Range: 4.5V to 5.5V
- LSTTL Input Compatibility
- VIL = 0.8V Max
- VIH = VCC/2 Min
- Input Current Levels Ii ≤ 5µA at VOL, VOH

Order Information| Part Number | Package Type | Weight(g) | Pins | MSL Rating | Peak Temp (°C) | RoHS Status |
|---|
|
| HCTS139DMSR | 16 Ld SBDIP | 1.37 | 16 | N/A | NA | RoHS |
|
|
| HCTS139KMSR | 16 Ld CFP | 0.59 | 16 | N/A | NA | RoHS |
|
|