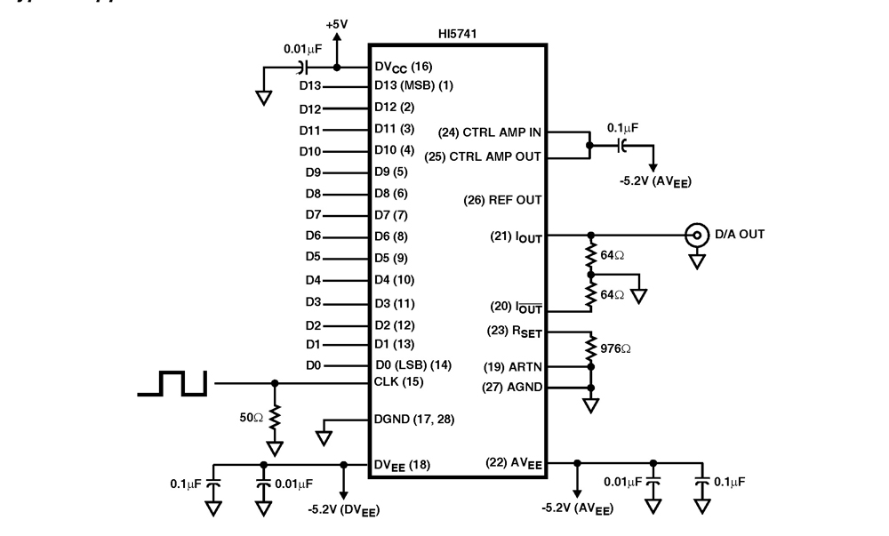
The HI5741 is a 14-bit, 100MSPS, D/A converter which is implemented in the Intersil BiCMOS 10V (HBC-10) process. Operating from +5V and -5.2V, the converter provides 20.48mA of full scale output current and includes an input data register and bandgap voltage reference. Low glitch energy and excellent frequency domain performance are achieved using a segmented architecture. The digital inputs are TTL/CMOS compatible and translated internally to ECL. All internal logic is implemented in ECL to achieve high switching speed with low noise. The addition of laser trimming assures 14-bit linearity is maintained along the entire transfer curve.
Key Features
- Throughput Rate 100MSPS
- Low Power 650mW
- Integral Linearity Error 1 LSB
- Low Glitch Energy 1pV-s
- TTL/CMOS Compatible Inputs
- Improved Hold Time 0.25ns
- Excellent Spurious Free Dynamic Range
- Pb-free Available
Applications
- Cellular Base Stations
- Wireless Communications
- Direct Digital Frequency Synthesis
- Signal Reconstruction
- Test Equipment
- High Resolution Imaging Systems
- Arbitrary Waveform Generators

Datasheets| Title | Type | Updated | Size | Other Languages |
|---|
| HI5741 Datasheet | PDF | 20 Sep 2006 | 458 KB | |
Order Information| Part Number | Package Type | Weight(g) | Pins | MSL Rating | Peak Temp (°C) | RoHS Status |
|---|
|
| HI5741BIB | 28 Ld SOIC | 0.75 | 28 | | 240 | |
|
|
| HI5741BIB-T | 28 Ld SOIC T+R | 0.75 | 28 | | 240 | |
|
|
| HI5741BIBZ | 28 Ld SOIC | 0.75 | 28 | 3 | 260 | RoHS |
|
|
| HI5741BIBZ-T | 28 Ld SOIC T+R | 0.75 | 28 | 3 | 260 | RoHS |
|
|
| HI5741BIP | 28 Ld PDIP | 4.39 | 28 | N/A | NA | |
|
|
|
|
| HI5741-EVS | | | | N/A | | |
|
|