The HI5746 is a monolithic, 10-bit, analog-to-digital converter fabricated in a CMOS process. It is designed for high speed applications where wide bandwidth and low power consumption are essential. Its 40MSPS speed is made possible by a fully differential pipelined architecture with an internal sample and hold.
The HI5746 has excellent dynamic performance while consuming only 225mW power at 40MSPS. Data output latches are provided which present valid data to the output bus with a latency of 7 clock cycles. It is pin-for-pin functionally compatible with the HI5702 and the HI5703.
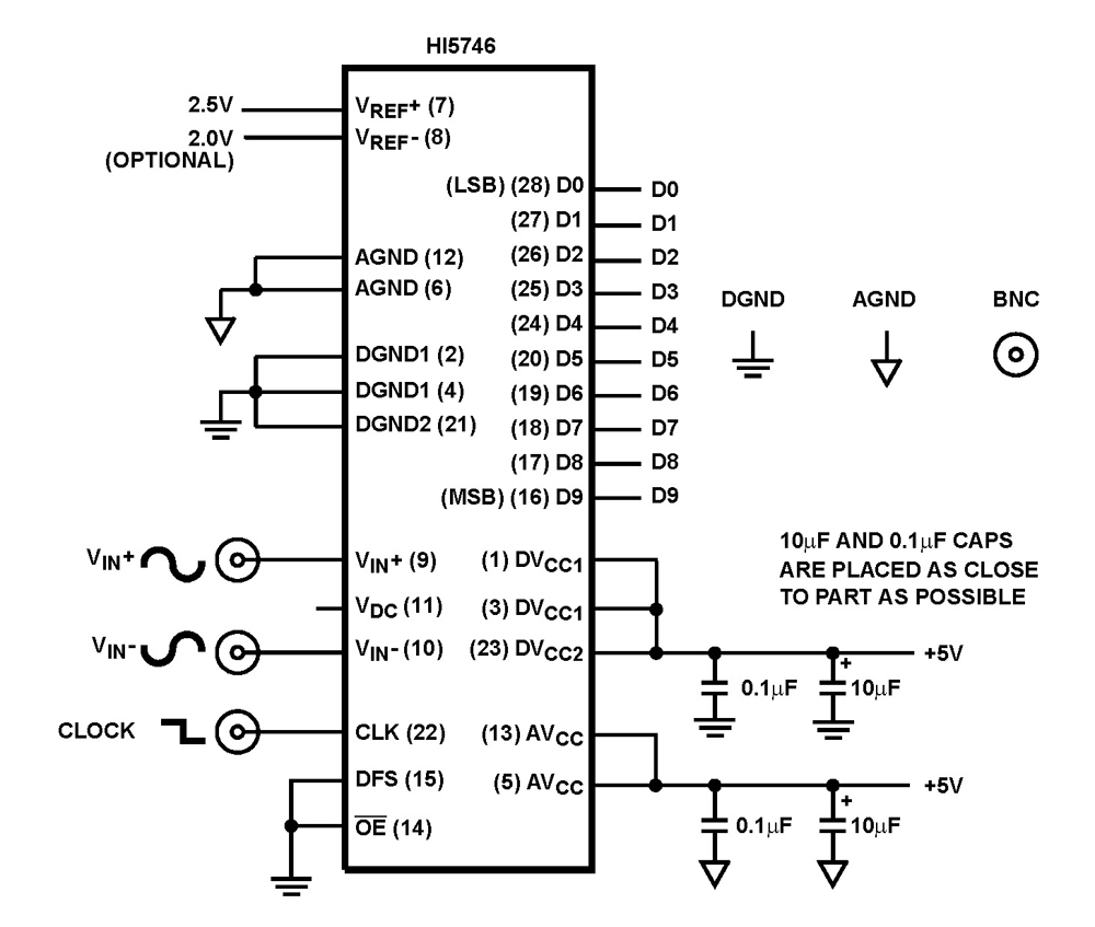
For internal voltage reference, please refer to the HI5767 data sheet.
Key Features
- Sampling Rate 40MSPS
- 8.8 Bits at fIN = 10MHz
- Low Power at 40MSPS 225mW
- Wide Full Power Input Bandwidth 250MHz
- On-Chip Sample and Hold
- Fully Differential or Single-Ended Analog Input
- Single Supply Voltage +5V
- TTL/CMOS Compatible Digital Inputs
- CMOS Compatible Digital Outputs 3.0/5.0V
- Offset Binary or Two's Complement Output Format
- Pb-free Available
Applications
- Professional Video Digitizing
- Medical Imaging
- Digital Communication Systems
- High Speed Data Acquisition

Order Information| Part Number | Package Type | Weight(g) | Pins | MSL Rating | Peak Temp (°C) | RoHS Status |
|---|
|
| HI5746KCA | 28 Ld QSOP | 0.152 | 28 | 1 | 240 | |
|
|
| HI5746KCAZ | 28 Ld QSOP | 0.152 | 28 | 2 | 260 | RoHS |
|
|
| HI5746KCB | 28 Ld SOIC | 0.75 | 28 | 1 | 240 | |
|
|
| HI5746KCB-T | 28 Ld SOIC T+R | 0.75 | 28 | 1 | 240 | |
|
|
| HI5746KCBZ | 28 Ld SOIC | 0.75 | 28 | 3 | 260 | RoHS |
|
|
| HI5746KCBZ-T | 28 Ld SOIC T+R | 0.75 | 28 | 3 | 260 | RoHS |
|
|
|
|
| HI5746EVAL1 | | | | N/A | | |
|
|