ISL54212: MP3/USB 2.0 High Speed Switch with Negative Signal Handling

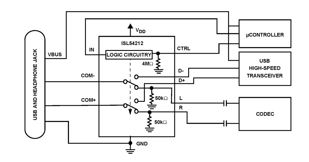
The Intersil ISL54212 dual SPDT (Single Pole/Double Throw) switches combine low distortion audio and accurate USB 2.0 high speed data (480Mbps) signal switching in the same low voltage device. When operated with a 2.5V to 5.5V single supply these analog switches allow audio signal swings below-ground, allowing the use of a common USB and audio headphone connector in Personal Media Players and other portable battery powered devices.

The ISL54212 logic control pins are 1.8V compatible which allows for control via a standard µcontroller. The part has an audio enable control pin to open all the switches and put the part in a low power state.

The ISL54212 is available in a small 10 Ld 2.1mmx1.6mm ultra-thin µTQFN package and a 10 Ld 3mmx3mm TDFN package. It operates over a temperature range of -40 to +85°C.

Key Features
  • High Speed (480Mbps) and Full Speed (12Mbps) Signaling Capability per USB 2.0
  • Low Distortion Negative Signal Capability
  • Control Pin to Open all Switches and Enter Low Power State
  • Low Distortion Headphone Audio Signals
    • THD+N at 15mW into 32Ω Load <0.06%
  • Cross-talk Audio Channels (20Hz to 20kHz) -110dB
  • Single Supply Operation (VDD) 2.5V to 5.5V
  • -3dB Bandwidth USB Switches 630MHz
  • Available in µTQFN and TDFN Packages
  • Pb-Free (RoHS Compliant)
  • Compliant with USB 2.0 Short Circuit Requirements Without Additional External Components
Applications
  • MP3 and Other Personal Media Players
  • Cellular/Mobile Phones
  • PDA's
  • Audio/USB Switching
Typical Diagram
Datasheets
TitleTypeUpdatedSizeOther Languages
ISL54212 DatasheetPDF18 Sep 20071.41 MB
Order Information
Part NumberPackage TypeWeight(g)PinsMSL RatingPeak Temp (°C)RoHS Status
ISL54212IRTZ10 Ld DFN0.02210260RoHS
ISL54212IRTZ-T10 Ld DFN T+R0.02210260RoHS
ISL54212IRUZ-T10 Ld uTQFN T+R0.004610260RoHS
ISL54212 Datasheet 18 Sep 2007
10 Ld DFN T+R ISL54061
10 Ld uTQFN T+R ISL23511
ISL54212