ISL6536: Four Channel Supervisory IC

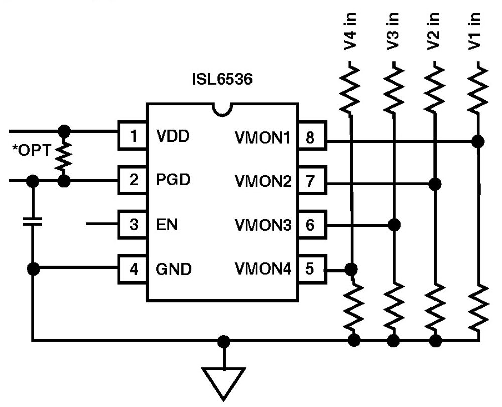
The ISL6536 is a four channel supervisory IC designed to monitor voltages >, = 0.7V. This IC bias range is from 2.7V to 4V but can supervise any positive voltage using an external resistor divider to translate to a lower voltage for comparison to the internal 0.63V reference.

Once properly biased and enabled when all four voltage monitor (VMON) inputs are satisfied the PGOOD output will be immediately released to go high to signal that voltage is valid on all four rails. Subsequently when the monitored voltage on any rail drops below its user defined threshold point, the PGOOD output is pulled low. Each rail's VMON point is independently adjustable with a resistor divider. The PGOOD output is guaranteed to be valid with IC bias lower than 1V. The VMON inputs will ignore 30µs transients on the monitored supplies. The PGOOD output is an open-drain to allow ORing of multiple signals and interfacing to a range of logic levels. The ENABLE input provides for a reset of the PGOOD output when it is pulled down below 0.5V. With an internal 10µA pull-up to VDD it can be signalled with common logic or pulled to ground with a push button switch.

Key Features
  • Adjustable undervoltage lockout for each supply
  • Active high PGOOD Output
  • Guaranteed PGOOD Valid to Falling VDD < 1V
  • VMON Glitch Immunity
  • Pb-Free (RoHS Compliant)
Applications
  • Graphics Cards
  • Multi voltage DSPs and Processors
  • µP Voltage Monitoring
  • Embedded Control Systems
  • Intelligent Instruments
  • Medical Equipment
  • Network Routers
  • Portable Battery-Powered Equipment
  • Set-Top Boxes
  • Telecommunications Systems
Typical Diagram
Datasheets
TitleTypeUpdatedSizeOther Languages
ISL6536 DatasheetPDF17 Nov 2014292 KB
White Papers
TitleTypeUpdatedSizeOther Languages
Five Easy Steps to Create a Multi-Load Power SolutionPDF30 Jan 2017502 KB
How Green is Your Cloud?PDF05 May 2015275 KB
Order Information
Part NumberPackage TypeWeight(g)PinsMSL RatingPeak Temp (°C)RoHS Status
ISL6536IB8 Ld SOIC0.0728240
ISL6536IB-T8 Ld SOIC T+R0.0728240
ISL6536IBZ8 Ld SOIC0.07281260RoHS
ISL6536IBZ-T8 Ld SOIC T+R0.07281260RoHS
ISL6536 Datasheet 17 Nov 2014
8 Ld SOIC T+R ISL84514
ISL6536
Five Easy Steps to Create a Multi-Load Power Solution 30 Jan 2017
How Green is Your Cloud? 05 May 2015