The ISL65426 is a high efficiency dual output monolithic synchronous buck converter operating over an input voltage range of 3V to 5.5V. This single chip power solution provides two output voltages, which are selectable or externally adjustable from 1V to 80% of the supply voltage while delivering up to 6A of total output current. The two PWMs are synchronized 180° out-of-phase, reducing the RMS input current and ripple voltage.
The ISL65426 switches at a fixed frequency of 1MHz and utilizes current-mode control with integrated compensation to minimize the size and number of external components and provide excellent transient response. The internal synchronous power switches are optimized for good thermal performance and high efficiency.
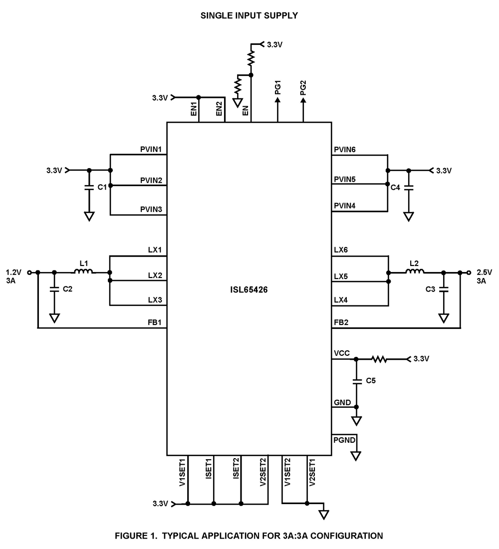
A unique power block architecture allows partitioning of six 1A blocks to support one of four configuration options. One master power block is associated with each synchronous converter channel. Four floating slave power blocks allow the user to assign them to either channel. Proper external configuration of the power blocks is verified internally prior to soft-start initialization.
Independent enable inputs allow for synchronization or sequencing soft-start intervals of the two converter channels. A third enable input allows additional sequencing for multi-input bias supply designs. Individual power-good indicators (PG1, PG2) signal when output voltage is within the regulation window.
The ISL65426 integrates protection for both synchronous buck regulator channels. The fault conditions include overcurrent, undervoltage, and IC thermal monitor.
High integration contained in a thin Quad Flat No-lead (QFN) package makes the ISL65426 an ideal choice to power many of today's small form factor applications. A single chip solution for large scale digital ICs, like field programmable gate arrays (FPGA), requiring separate core and I/O voltages.
Key Features
- High Efficiency: Up to 95%
- Fixed Frequency: 1MHz
- Operates From 3V to 5.5V Supply
- ±1% Reference
- Flexible Output Voltage Options
- Programmable 2-Bit VID Input
- Adjustable Output From 1V to 4.0V
- User-Partitioned Power Blocks
- Ultra-Compact DC/DC Converter Design
- PWMs Synchronized 180° Out-of-Phase
- Independent Enable Inputs and System Enable
- Stable All Ceramic Solutions
- Excellent Dynamic Response
- Independent Output Digital Soft-Start
- Power-Good Output Voltage Monitor
- Thermal-Overload Protection
- Overcurrent and Undervoltage Protection
- Pb-Free (RoHS Compliant)
Applications
- FPGA, CPLD, DSP, and CPU Core and I/O Voltages
- Xilinx Spartan III™, Virtex II™, Virtex II Pro™, Virtex 4™
- Altera Stratix™, Stratix II™, Cyclone™, Cyclone II™
- Actel Fusion™, LatticeSC™, LatticeEC™
- Low-Voltage, High-Density Distributed Power Systems
- Point-of-Load Regulation
- Distributed Power Systems
- Set-Top Boxes

Order Information| Part Number | Package Type | Weight(g) | Pins | MSL Rating | Peak Temp (°C) | RoHS Status |
|---|
|
| ISL65426HRZ | 50 Ld QFN | 0.1955 | 50 | 3 | 260 | RoHS |
|
|
| ISL65426HRZ-T | 50 Ld QFN T+R | 0.1955 | 50 | 3 | 260 | RoHS |
|
|
| ISL65426IRZA | 50 Ld QFN | 0.1955 | 50 | 3 | 260 | RoHS |
|
|
| ISL65426IRZA-T | 50 Ld QFN T+R | 0.1955 | 50 | 3 | 260 | RoHS |
|
|
|
|
| ISL65426EVAL1Z | | | | N/A | | RoHS |
|
|