ISL6594D: Advanced Synchronous Buck MOSFET Driver with 3V PWM Interface and Advanced Protection Features

The ISL6594D is high frequency MOSFET driver specifically designed to drive upper and lower power N-Channel MOSFETs in a synchronous rectified buck converter topology. This driver combined with the ISL6594D Digital Multi-Phase Buck PWM controller and N-Channel MOSFETs forms a complete core-voltage regulator solution for advanced microprocessors.

The ISL6594D drives both upper and lower gates over a range of 4.5V to 13.2V. This drive-voltage provides the flexibility necessary to optimize applications involving trade-offs between gate charge and conduction losses.

An advanced adaptive zero shoot-through protection is integrated to prevent both the upper and lower MOSFETs from conducting simultaneously and to minimize the dead time. The ISL6594D includes an overvoltage protection feature operational before VCC exceeds its turn-on threshold, at which the PHASE node is connected to the gate of the low side MOSFET (LGATE). The output voltage of the converter is then limited by the threshold of the low side MOSFET, which provides some protection to the microprocessor if the upper MOSFET(s) is shorted.

The ISL6594D also features an input that recognizes a high-impedance state, working together with Intersil multiphase PWM controllers to prevent negative transients on the controlled output voltage when operation is suspended. This feature eliminates the need for the Schottky diode that may be utilized in a power system to protect the load from negative output voltage damage.

Key Features
  • Dual MOSFET Drives for Synchronous Rectified Bridge
  • Pin-to-pin Compatible with ISL6596
  • Advanced Adaptive Zero Shoot-Through Protection
    • Body Diode Detection
    • Auto-zero of rDS(ON) Conduction Offset Effect
  • Adjustable Gate Voltage for Optimal Efficiency
  • 36V Internal Bootstrap Schottky Diode
  • Bootstrap Capacitor Overcharging Prevention
  • Supports High Switching Frequency (up to 2MHz)
    • 3A Sinking Current Capability
    • Fast Rise/Fall Times and Low Propagation Delays
  • Optimized for 3.3V PWM Input
  • Three-State PWM Input for Output Stage Shutdown
  • Three-State PWM Input Hysteresis for Applications With Power Sequencing Requirement
  • Pre-POR Overvoltage Protection
  • VCC Undervoltage Protection
  • Expandable Bottom Copper Pad for Enhanced Heat Sinking
  • Dual Flat No-Lead (DFN) Package
    • Near Chip-Scale Package Footprint; Improves PCB Efficiency and Thinner in Profile
  • Pb-Free (RoHS Compliant)
Applications
  • Optimized for POL DC/DC Converters for IBA Systems
  • Core Regulators for Intel® and AMD® Microprocessors
  • High Current DC/DC Converters
  • High Frequency and High Efficiency VRM and VRD
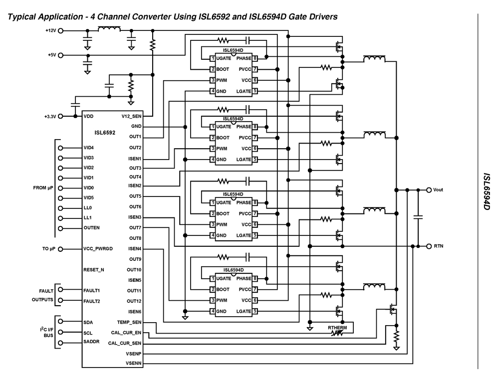
Typical Diagram
Application Notes
TitleTypeUpdatedSizeOther Languages
AN1116: Elantec CMOS applicationsPDF13 Nov 2014231 KB
Datasheets
TitleTypeUpdatedSizeOther Languages
ISL6594D DatasheetPDF17 Nov 2014294 KB
Tech Briefs
TitleTypeUpdatedSizeOther Languages
TB363: Guidelines for Handling and Processing Moisture Sensitive Surface Mount Devices (SMDs)PDF13 Jan 201529 KB
TB458: Converting a Fixed PWM to an Adjustable PWMPDF19 Nov 2014147 KB
TB389: PCB Land Pattern and Surface Mount Guidelines for QFN PackagesPDF19 Nov 2014661 KB
White Papers
TitleTypeUpdatedSizeOther Languages
Five Easy Steps to Create a Multi-Load Power SolutionPDF30 Jan 2017502 KB
Order Information
Part NumberPackage TypeWeight(g)PinsMSL RatingPeak Temp (°C)RoHS Status
ISL6594DCBZ8 Ld SOIC0.07683260RoHS
ISL6594DCBZ-T8 Ld SOIC T+R0.07683260RoHS
ISL6594DCRZ10 Ld DFN0.022103260RoHS
ISL6594DCRZ-T10 Ld DFN T+R0.022103260RoHS
ISL6594D Datasheet 17 Nov 2014
8 Ld SOIC T+R ISL84514
10 Ld DFN T+R ISL9203A
ISL6594D
AN1116: Elantec CMOS applications 13 Nov 2014
TB363: Guidelines for Handling and Processing Moisture Sensitive Surface Mount Devices (SMDs) 13 Jan 2015
TB458: Converting a Fixed PWM to an Adjustable PWM 19 Nov 2014
TB389: PCB Land Pattern and Surface Mount Guidelines for QFN Packages 19 Nov 2014
Five Easy Steps to Create a Multi-Load Power Solution 30 Jan 2017