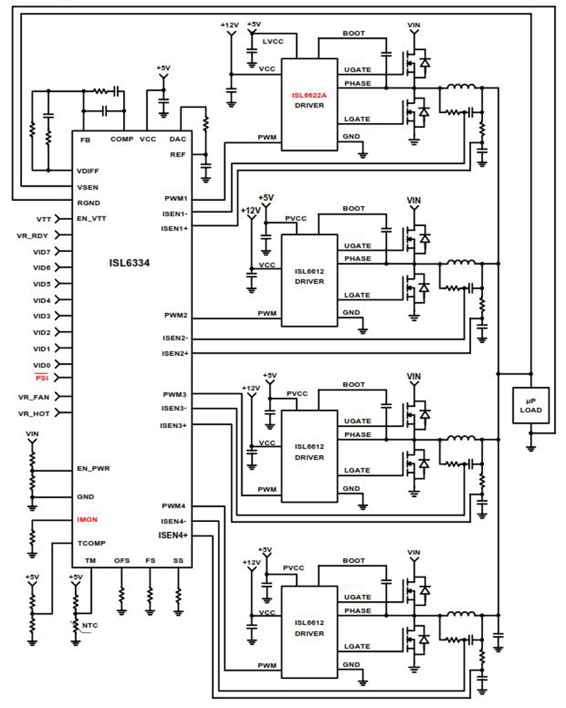
The ISL6622A is a high frequency MOSFET driver designed to drive upper and lower power N-Channel MOSFETs in a synchronous rectified buck converter topology. The advanced PWM protocol of ISL6622A is specifically designed to work with Intersil VR11.1 controllers and combined with N-Channel MOSFETs, form a complete core-voltage regulator solution for advanced microprocessors. When ISL6622A detects a PSI protocol sent by an Intersil VR11.1 controller, it activates Diode Emulation (DE) operation; otherwise, it operates in normal Continuous Conduction Mode (CCM) PWM mode.
In the 8 Ld SOIC package, the ISL6622A drives the upper gate to 12V while the lower get can be driven from 5V to 12V. The 10 Ld DFN part allows for more flexibility. The upper gate can be driven from 5V to 12V using the UVCC pin and the lower gate can also be driven from 5V to 12V using the LVCC pin. This provides the flexibility necessary to optimize applications involving trade-offs between gate charge and conduction losses.
To further enhance light load efficiency, the ISL6622A enables diode emulation operation during PSI mode. This allows Discontinuous Conduction Mode (DCM) by detecting when the inductor current reaches zero and subsequently turning off the low side MOSFET to prevent it from sinking current.
An advanced adaptive shoot-through protection is integrated to prevent both the upper and lower MOSFETs from conducting simultaneously and to minimize dead time. The ISL6622A has a 20kΩ integrated high-side gate-to-source resistor to prevent self turn-on due to high input bus dV/dt. This driver adds an overvoltage protection feature operational while VCC is below its POR threshold; the PHASE node is connected to the gate of the low side MOSFET (LGATE) via a 10kΩ resistor limiting the output voltage of the converter close to the gate threshold of the low side MOSFET, dependent on the current being shunted, which provides some protection to the load should the upper MOSFET(s) become shorted.
Key Features
- Dual MOSFET Drives for Synchronous Rectified Bridge
- Advanced Adaptive Zero Shoot-Through Protection
- 36V Internal Bootstrap Schottky Diode
- Diode Emulation For Enhanced Light Load Efficiency
- Bootstrap Capacitor Overcharging Prevention
- Supports High Switching Frequency
- 3A Sinking Current Capability
- Fast Rise/Fall Times and Low Propagation Delays
- Advanced PWM Protocol (Patent Pending) to Support PSI Mode, Diode Emulation, Three-State Operation
- Pre-POR Overvoltage Protection for Start-up and Shutdown
- VCC Undervoltage Protection
- Expandable Bottom Copper Pad for Enhanced Heat Sinking
- Dual Flat No-Lead (DFN) Package
- Near Chip-Scale Package Footprint; Improves PCB Efficiency and Thinner in Profile
- Pb-Free (RoHS Compliant)
Applications
- High Light Load Efficiency Voltage Regulators
- Core Regulators for Advanced Microprocessors
- High Current DC/DC Converters
- High Frequency and High Efficiency VRM and VRD

Order Information| Part Number | Package Type | Weight(g) | Pins | MSL Rating | Peak Temp (°C) | RoHS Status |
|---|
|
| ISL6622ACBZ | 8 Ld SOIC | 0.076 | 8 | 3 | 260 | RoHS |
|
|
| ISL6622ACBZ-T | 8 Ld SOIC T+R | 0.076 | 8 | 3 | 260 | RoHS |
|
|
| ISL6622ACRZ | 10 Ld DFN | 0.022 | 10 | 1 | 260 | RoHS |
|
|
| ISL6622ACRZ-T | 10 Ld DFN T+R | 0.022 | 10 | 1 | 260 | RoHS |
|
|
| ISL6622AIBZ | 8 Ld SOIC | 0.076 | 8 | 3 | 260 | RoHS |
|
|
| ISL6622AIBZ-T | 8 Ld SOIC T+R | 0.076 | 8 | 3 | 260 | RoHS |
|
|
| ISL6622AIRZ | 10 Ld DFN | 0.022 | 10 | 3 | 260 | RoHS |
|
|
| ISL6622AIRZ-T | 10 Ld DFN T+R | 0.022 | 10 | 3 | 260 | RoHS |
|
|