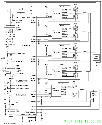
The ISL6625A is a high frequency MOSFET driver designed to drive upper and lower power N-Channel MOSFETs in a synchronous rectified buck converter topology.
In ISL6625A, the upper and lower gates are both driven to an externally applied voltage. This provides the capability to optimize applications involving trade-offs between gate charge and conduction losses.
An advanced adaptive shoot-through protection is integrated to prevent both the upper and lower MOSFETs from conducting simultaneously and to minimize dead time. The ISL6625A has a 10kΩ integrated high-side gate-to-source resistor to prevent self turn-on due to high input bus dV/dt.
This driver also has an overvoltage protection feature, which is operational while VCC is below the POR threshold. The PHASE node is connected to the gate of the low-side MOSFET (LGATE) via a 30kΩ resistor, limiting the output voltage of the converter close to the gate threshold of the low-side MOSFET. This is dependent on the current being shunted, which provides some protection to the load should the upper MOSFET(s) become shorted.
Key Features
- Dual MOSFET drives for synchronous rectified bridge
- Advanced adaptive zero shoot-through protection
- PHASE detection
- LGATE detection
- Auto-Zero of rDS(ON) conduction offset effect
- Low standby bias current
- 36V internal bootstrap switcher
- Bootstrap capacitor overcharging prevention
- Integrated high-side gate-to-source resistor to prevent from self turn-on due to high input bus dV/dt
- Pre-POR overvoltage protection for start-up and shutdown
- Power rails undervoltage protection
- Expandable bottom copper pad for enhanced heat sinking
- Dual flat no-lead (DFN) package
- Near chip-scale package footprint; improves PCB efficiency and thinner in profile
- Pb-Free (RoHS compliant)
Applications
- High light load efficiency voltage regulators
- Core regulators for advanced microprocessors
- High current DC/DC converters

Order Information| Part Number | Package Type | Weight(g) | Pins | MSL Rating | Peak Temp (°C) | RoHS Status |
|---|
|
| ISL6625AIRZ-T | 8 Ld DFN T+R | 0.011 | 8 | 3 | 260 | RoHS |
|
|
| ISL6625ACRZ-T | 8 Ld DFN T+R | 0.011 | 8 | 3 | 260 | RoHS |
|
|