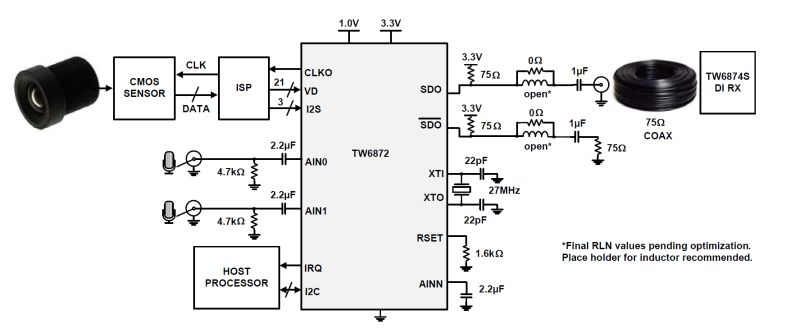
The TW6872 is a triple-rate (SD/HD/3G) SDI transmitter. It receives parallel BT.656/BT.1120/ASI video data from a CMOS sensor/ISP chip. It also receives analog audio, or serial digital audio. The TW6872 serializes the video and audio into an SDI stream and transmits it to an SDI receiver via its integrated cable driver.
In addition to the standard SDI format with uncompressed raw video data, TW6872 can optionally compress video with a visually lossless VC-2 compression algorithm to send the video formats normally running at HD rate (1.5Gbps) on the cable at SD rate (270Mbps), and therefore achieve longer cable reach.
Together, the TW6872 and Intersil’s TW6874 SDI receiver provide a complete end-to-end SDI link solution and can operate with or without VC-2 compression. Integrated audio/video test patterns and PRBS checker ease system design and implementation.
The TW6872 is available in a 76 Ld QFN. It is specified for operation over the -40°C to +85°C ambient temperature range and operates on two power supplies: 1V and 3.3V. A single 27MHz crystal is used for all supported audio/video operating modes.
Key Features
- Triple-rate (SD/HD/3G) SDI transmitter for Standard Definition (SD) and High Definition (HD), and 3G 10-bit component video
- Encoding SDI standard of ITU-R BT.656/SMPTE 259M Level C, ITU-R BT.1120/SMPTE ST 292, SMPTE 424M 10-bit parallel component video inputs into 10-bit serial video output
- BT.656/BT.1120 interface for CMOS sensor/ISP chip
- Asynchronous Serial Interface (ASI) for IEC 13818-1 compliant transport streams
- Integrated 75Ω cable driver with pre/de-emphasis
- Integrated VC-2 encoder allows transmission of HD video over SD transmission lengths
- Analog audio and I2S serial audio input interfaces over ancillary field
- Digital audio with PCM encoding for embedding audio samples into the audio ancillary field of SDI stream
- Single 27MHz clock/crystal input
- Optional clock output for use as the ISP chip’s clock input to enhance overall jitter
- PRBS7/23 and video/audio pattern generator
- I2C for external micro-controller interface
- Low power consumption
- Small footprint LTZ-QFN76L (9mm x9mm) package
- Pb-free (RoHS compliant)
Applications

Datasheets| Title | Type | Updated | Size | Other Languages |
|---|
| TW6872 Datasheet | PDF | 18 Jul 2016 | 783 KB | |
Order Information| Part Number | Package Type | Weight(g) | Pins | MSL Rating | Peak Temp (°C) | RoHS Status |
|---|
|
| TW6872-NA1-CR | 76 Ld QFN | 0.25 | 76 | 3 | 260 | RoHS |
|
|