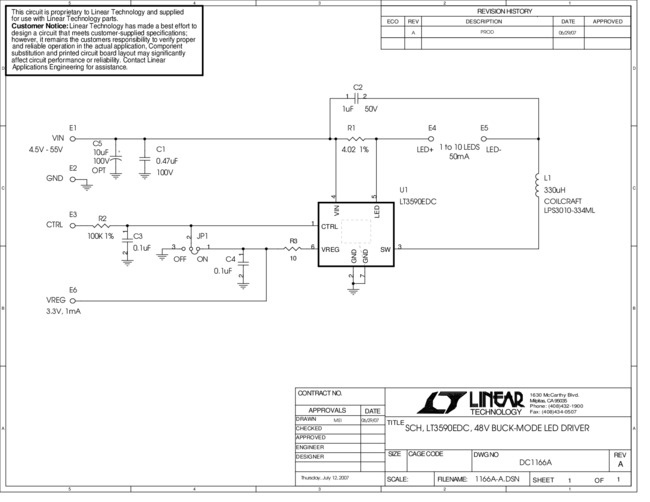
Demonstration circuit 1166 is a 48V Buck-Mode LED Driver featuring the LT3590. The LT3590 is a fixed frequency buck mode converter specifically designed to drive up to 10 LEDs in series at up to 50mA LED current. Series connection of the LEDs results in uniform LED brightness, eliminating the need for ballast resistors. The demo board targets 48V power applications but has a wide 4.5V to 54V (55V abs max) input voltage range.
