LTC2328-16 - 16-Bit, 1Msps, ±10.24V True Bipolar, Pseudo-Differential Input ADC with 93.5dB SNR
The LTC®2328-16 is a low noise, high speed 16-bit successive approximation register (SAR) ADC with pseudodifferential inputs. Operating from a single 5V supply, the LTC2328-16 has a ±10.24V true bipolar input range, making it ideal for high voltage applications which require a wide dynamic range. The LTC2328-16 achieves ±1.5LSB INL maximum, no missing codes at 16 bits with 93.5dB SNR.
The LTC2328-16 has an onboard single-shot capable reference buffer and low drift (20ppm/°C max) 2.048V temperature compensated reference. The LTC2328-16 also has a high speed SPI-compatible serial interface that supports 1.8V, 2.5V, 3.3V and 5V logic while also featuring a daisy-chain mode. The fast 1Msps throughput with no cycle latency makes the LTC2328-16 ideally suited for a wide variety of high speed applications. An internal oscillator sets the conversion time, easing external timing considerations. The LTC2328-16 dissipates only 50mW and automatically naps between conversions, leading to reduced power dissipation that scales with the sampling rate. A sleep mode is also provided to reduce the power consumption of the LTC2328-16 to 300μW for further power savings during inactive periods.
Features- 1Msps Throughput Rate
- ±1.5LSB INL (Max)
- Guaranteed 16-Bit No Missing Codes
- Pseudo-Differential Inputs
- True Bipolar Input Ranges ±6.25V, ±10.24V, ±12.5V
- 93.5dB SNR (Typ) at fIN = 2kHz
- –111dB THD (Typ) at fIN = 2kHz
- Guaranteed Operation to 125°C
- Single 5V Supply
- Low Drift (20ppm/°C Max) 2.048V Internal Reference
- Onboard Single-Shot Capable Reference Buffer
- No Pipeline Delay, No Cycle Latency
- 1.8V to 5V I/O Voltages
- SPI-Compatible Serial I/O with Daisy-Chain Mode
- Internal Conversion Clock
- Power Dissipation 50mW (Typ)
- 16-Lead MSOP Package
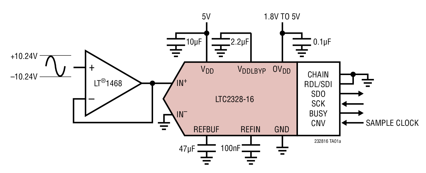
Typical Application
 | Applications- Programmable Logic Controllers
- Industrial Process Control
- High Speed Data Acquisition
- Portable or Compact Instrumentation
- ATE
Packaging |
Order Information| Part Number | Package | Temp | Price(1-99) | Price (1k)* |
|---|
| LTC2328CMS-16#PBF | MS-16 | C | $34.79 | $24.35 |
| LTC2328CMS-16#TRPBF | MS-16 | C | | $24.41 |
| LTC2328HMS-16#PBF | MS-16 | H | $46.00 | $32.20 |
| LTC2328HMS-16#TRPBF | MS-16 | H | | $32.26 |
| LTC2328IMS-16#PBF | MS-16 | I | $40.00 | $28.00 |
| LTC2328IMS-16#TRPBF | MS-16 | I | | $28.06 |
Demo Boards
| Part Number | Description | Price |
|---|
| DC1908A-G | LTC2328-16 Demo Board |16-Bit, 1Msps, Single-Ended SAR ADC with True Bipolar +/-10V Inputs. Req DC590 or DC718 | $100.00 |
Companion Boards| Part Number | Description | Price |
|---|
| DC2026C | Linduino One Isolated USB Demo Board: An Arduino- and QuikEval-Compatible Code Development Platform | $75.00 |
| DC590B | Isolated USB Serial Controller for Linear Technology QuikEval-Compatible Demo Boards | $50.00 |
| DC718C | USB Data Acquisition Controller, for PScope Evaluation Kits (<135Mbps) | $300.00 |
DatasheetReliability DataProduct Selector CardSoftware and SimulationCAD SymbolLinduino | Related Products- LTC2378-20 - 20-Bit, 1Msps, Low Power SAR ADC with 0.5ppm INL
- LTC6655 - 0.25ppm Noise, Low Drift Precision References
- LTC2338-18 - 18-Bit, 1Msps, ±10.24V True Bipolar, Fully Differential Input ADC with 100dB SNR
- LT5400 - Quad Matched Resistor Network
- LTC2328-18 - 18-Bit, 1Msps, ±10.24V True Bipolar, Pseudo-Differential Input ADC with 95dB SNR
- LT3080 - Adjustable 1.1A Single Resistor Low Dropout Regulator
- LT1028 - Ultra Low Noise Precision High Speed Op Amps
- LTM2883 - SPI/Digital or I2C μModule Isolator with Adjustable ±12.5V and 5V Regulated Power
- LTC2323-16 - Dual, 16-Bit, 5Msps Differential Input ADC with Wide Input Common Mode Range
- LTC2440 - 24-Bit High Speed Differential Delta Sigma ADC with Selectable Speed/Resolution
|