CBTL06141EE: Gen1 display 2 : 1 multiplexer

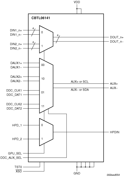
The CBTL06141 is a six-channel (‘hex’) multiplexer for DisplayPort and PCI Express applications at Generation 1 (‘Gen1’) speeds. It provides four differential channels capable of 1 : 2 switching or 2 : 1 multiplexing (bidirectional and AC-coupled) PCI Express or DisplayPort signals, using high-bandwidth pass-gate technology. Additionally, it provides for switching/multiplexing of the Hot Plug Detect signal as well as the AUX or DDC (Direct Display Control) signals, for a total of six channels on the display side. The AUX and DDC channels provide a four-position multiplexer such that an additional level of multiplexing can be accomplished when AUX and DDC I/Os are on separate pins of the display source device.

The CBTL06141 is designed for Gen1 speeds, at 2.5 Gbit/s for PCI Express or 2.7 Gbit/s for DisplayPort, and for input voltages of up to 3.3 V typical. It consumes very low current in operational mode (less than 1 mA typical) and provides for a shutdown function (less than 10 μA) to support battery-powered applications.

A typical application of CBTL06141 is on motherboards where one of two GPU display sources needs to be selected to connect to a display sink device or connector. A controller chip selects which path to use by setting a select signal HIGH or LOW. Due to the non-directional nature of the signal paths (which use high-bandwidth passgate technology), the CBTL06141 can also be used in the reverse topology, e.g., to connect one display source device to one of two display sink devices or connectors.

Optionally, the hex MUX device can be used in conjunction with an HDMI/DVI level shifter device (PTN3300A, PTN3300B or PTN3301) to allow for DisplayPort as well as HDMI/DVI connectivity.

CBTL06141EE: Product Block Diagram
sot918-1_3d
Data Sheets (1)
Name/DescriptionModified Date
Gen1 display 2 : 1 multiplexer (REV 2.0) PDF (362.0 kB) CBTL0614110 Apr 2012
Application Notes (1)
Name/DescriptionModified Date
DisplayPort PCB layout guidelines (REV 1.0) PDF (89.0 kB) AN1079805 Mar 2009
Brochures (1)
Name/DescriptionModified Date
High-bandwidth (de-)multiplexers for DisplayPort and PCIe; NXP® six-channel display 2:1 multiplexers /... (REV 1.0) PDF (455.0 kB) 7501613701 Dec 2007
Package Information (1)
Name/DescriptionModified Date
plastic thin fine-pitch ball grid array package; 48 balls; body 5 x 5 x 0.8 mm (REV 1.0) PDF (352.0 kB) SOT918-108 Feb 2016
Packing (1)
Name/DescriptionModified Date
TFBGA48; Reel pack; SMD, 13" Q1/T1 Standard product orientation Orderable part number ending ,118 or... (REV 1.0) PDF (183.0 kB) SOT918-1_11819 Apr 2013
Ordering Information
ProductStatusPackage versionRise/fall time (ps)FeaturesStandby current (uA)Other featuresOperating Temperature (Cel)Data transfer rate (Mb/s)Operating frequency (MHz)RGB OutputCrystal oscillatorNumber of channels in applicationOutput voltage (black-to-white) Vp-p typ (V)Supply current (mA)Pixel frequency (MHz)InputsOutputsApplication
CBTL06141EE/GEnd of LifeSOT918-1
Package Information
Product IDPackage DescriptionOutline VersionReflow/Wave SolderingPackingProduct StatusPart NumberOrdering code(12NC)MarkingChemical ContentRoHS / Pb Free / RHFLeadFree Conversion DateMSLMSL LF
CBTL06141EE/GSOT918-1Reel 13" Q1/T1DiscontinuedCBTL06141EE/G,118 (9352 857 44118)L0614CBTL06141EE/GAlways Pb-freeNA1
Gen1 display 2 : 1 multiplexer cbtl06141ee
CBTL06141EE
DisplayPort PCB layout guidelines PTN3361BBS
High-bandwidth (de-)multiplexers for DisplayPort and PCIe; NXP® six-channel display 2:1 multiplexers /... ptn3301hf
TFBGA48; Reel pack; SMD, 13" Q1/T1 Standard product orientation Orderable part number ending ,118 or... CBTL06DP213EE
plastic thin fine-pitch ball grid array package; 48 balls; body 5 x 5 x 0.8 mm CBTL06DP213EE