SP339 RS-232/RS-485/RS-422 Transceiver with Internal Termination

The SP339 is an advanced multiprotocol transceiver supporting RS-232, RS-485, and RS-422 serial standards in a 40 pin QFN package. Integrated cable termination and four configuration modes allow all three protocols to be used interchangeably over a single cable or connector with no additional switching components. Full operation requires only four external charge pump capacitors. The RS-485/422 modes feature one driver and one receiver (1TX/1RX) in both half and full duplex configurations. The RS-232 mode (3TX/5RX) provides full support of all eight signals commonly used with the DB9 RS-232 connector. A dedicated diagnostic loopback mode is also provided. The high speed drivers operate up to 20Mbps in RS-485/422 modes, and up to 1Mbps in RS-232 mode. All drivers can be slew limited to 250kbps in any mode to minimize electromagnetic interference (EMI). All transmitter outputs and receiver inputs feature robust electrostatic discharge (ESD) protection to ±15kV Human Body Model (HBM) and ±8kV IEC-61000-4-2 Contact. Each receiver output has full fail-safe protection to avoid system lockup, oscillation, or indeterminate states by defaulting to logic-high output level when the inputs are open, shorted, or terminated but undriven. No external biasing resistors are required.

技术特性
  • Pin selectable Cable Termination
  • No external resistors required for RS-485/422 termination and biasing
  • 3.3V or 5V Single Supply Operation
  • Robust ESD Protection on bus pins
    • ±15kV Human Body Model (HBM)
    • ±8kV IEC 61000-4-2 (Contact)
  • Max Data Rate of 20Mbps in RS-485/422 Modes and up to 1Mbps in RS-232 Modes
  • Pin selectable 250kbps Slew Limiting
  • 3 Drivers, 5 Receivers RS-232/V.28
  • 1 Driver, 1 Receiver RS-485/422
    • Full and Half Duplex Configuration
    • 1/8th Unit Load, up to 256 receivers on bus
  • RS-485/422 Enhanced Failsafe for open, shorted, or terminated but idle inputs
  • Space saving 6mm x 6mm QFN-40 Package
  • Pin compatible with SP338E
订购信息 Ordering Information
器件型号 有害物质限制 最低温度 最高温度 状态 立刻购买 申请样片
SP338EER1-0A-EB       Active
SP339ECR1-L 0 70 Active
SP339ECR1-L/TR 0 70 Active
SP339EER1-L -40 85 Active
SP339EER1-L/TR -40 85 Active
技术指标
发送器数量(Tx) 3/1
接收器数量(Rx) 5/1
数据传输速率(kbps) 256/1M/20M
电源电压Vcc(V) 3.3 or 5
Typ.集成元件电路(mA) 2
静电放电ESD(KV) 15
终止 Complete
支持协议 RS-232, V.28, RS-485, RS-422, V.24
应用领域 APPLICATION
  • Dual Protocol Serial Ports (RS-232 or RS-485/422)
  • Industrial Computers
  • Industrial and Process Control Equipment
  • Point-Of-Sale Equipment
  • Networking Equipment
  • HVAC Controls Equipment
  • Building Security and Automation Equipment
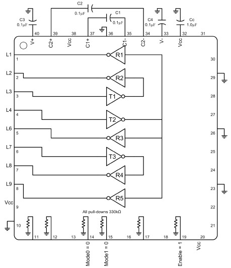
功能框图 Functional Block Diagram

SP339 功能框图

应用技术支持与电子电路设计开发资源下载 版本信息 大小
SP339 数据资料DataSheet下载:pdf Rev.V2 2 页