SP485 低功耗半双工RS-485收发器
The SP483 and SP485 are a family of half-duplex transceivers that meet the specifications of RS-485 and RS-422. Their BiCMOS design allows low power operation without sacrificing performance. The SP485 meets the requirements of RS-485 and RS-422 up to 5Mbps. Additionally, the SP483 is equipped with a low power Shutdown mode. The SP483 is internally slew rate limited to reduce EMI and can meet the requirements of RS-485 and RS-422 up to 250kbps.
技术特性
- 5V Only
- Low Power BiCMOS
- Driver/Receiver Enable for Multi-Drop configurations
- ESD Specifications:
- For Enhanced ESD Specifications, see SP485E
订购信息 Ordering Information
| 器件型号 |
有害物质限制 |
最低温度 |
最高温度 |
状态 |
立刻购买 |
申请样片 |
| SP485EN-L/TR |
|
-40 |
85 |
Active |
|
|
| SP485EN/TR |
|
-40 |
85 |
运行 |
|
|
| SP485EN-L |
|
-40 |
85 |
Active |
|
|
| SP485EN |
|
-40 |
85 |
运行 |
|
|
| SP485DN |
|
|
|
OBS |
|
|
| SP485DN-L |
|
|
|
OBS |
|
|
| SP485ES-L |
|
-40 |
85 |
Active |
|
|
| SP485ES |
|
-40 |
85 |
运行 |
|
|
| SP485CS-L |
|
0 |
70 |
运行 |
|
|
| SP485BN-L |
|
0 |
125 |
运行 |
|
|
| SP485SN |
|
|
|
OBS |
|
|
| SP485SN-L |
|
|
|
OBS |
|
|
| SP485SS |
|
|
|
OBS |
|
|
| SP485BN |
|
0 |
125 |
运行 |
|
|
| SP485SS-L |
|
|
|
OBS |
|
|
| SP485CN-L |
|
0 |
70 |
运行 |
|
|
| SP485CN-L/TR |
|
0 |
70 |
运行 |
|
|
| SP485CS |
|
0 |
70 |
运行 |
|
|
| SP485BN-L/TR |
|
0 |
125 |
运行 |
|
|
| SP485CN |
|
0 |
70 |
运行 |
|
|
| SP485CN/TR |
|
0 |
70 |
运行 |
|
技术指标
| 电源电压Vcc(V) |
5 |
| 发送器数量(Tx) |
1 |
| 接收器数量(Rx) |
1 |
| 双工 |
半 |
| 数据传输速率(kbps) |
5000 |
| 静电放电ESD(KV) |
2 |
| 接收开路故障防护 |
是 |
| 接收短路故障防护 |
否 |
| 关断 |
否 |
| 多点节点 |
32 |
应用领域 APPLICATION
- Motor Control
- Building Automation
- Security Systems
- Remote Meter Reading
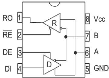
功能框图 Functional Block Diagram

|