SP485E 低功耗半双工RS-485收发器

The SP481E and SP485E are a family of half-duplex transceivers that meet the specifications of RS-485 and RS-422 serial protocols with enhanced ESD performance. The ESD tolerance has been improved on these devices to over +15kV for both Human Body Model and IEC1000-4-2 Air Discharge Method. These devices are pin-to-pin compatible with Exar's SP481 and SP485 devices as well as popular industry standards. As with the original versions, the SP481E and SP485E feature Exar's BiCMOS design allowing low power operation without sacrificing performance. The SP481E and SP485E meet the requirements of the RS-485 and RS-422 protocols up to 10Mbps under load. The SP481E is equipped with a low power shutdown mode

技术特性
  • +5V Only
  • Low Power BiCMOS
  • Driver/Receiver Enable for Multi-Drop configurations
  • Enhanced ESD Specifications:
    • ±15KV Human Body Model
    • ±15KV IEC1000-4-2 Air Discharge
    • ±8KV IEC1000-4-2 Contact Discharg
订购信息 Ordering Information
器件型号 有害物质限制 最低温度 最高温度 状态 立刻购买 申请样片
SP485EEP -40 85 运行
SP485EEP-L -40 85 运行
SP485EEN-L -40 85 运行
SP485EEN-L/TR -40 85 运行
SP485EMN-L -40 125 运行
SP485EMN-L/TR -40 125 运行
SP485EMN -40 125 运行
SP485EMN/TR -40 125 运行
SP485ECN-L 0 70 运行
SP485ECN-L/TR 0 70 运行
SP485ECN 0 70 运行
SP485ECN/TR 0 70 运行
SP485EEN -40 85 运行
SP485EEN/TR -40 85 运行
SP485ECP 0 70 运行
SP485ECP-L 0 70 运行
技术指标
电源电压Vcc(V) 5
发送器数量(Tx) 1
接收器数量(Rx) 1
双工
数据传输速率(kbps) 10000
静电放电ESD(KV) 15
接收开路故障防护
接收短路故障防护
关断
多点节点 32
应用领域 APPLICATION
  • Motor Control
  • Building Automation
  • Security Systems
  • Remote Meter Reading
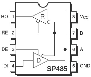
功能框图 Functional Block Diagram

SP485E 功能框图

应用技术支持与电子电路设计开发资源下载 版本信息 大小
SP485E 数据资料DataSheet下载:pdf Rev.V2 2 页