54LS76 / 74LS76 典型参数:f工作频率=45MHz Pd=10mW/每触发器
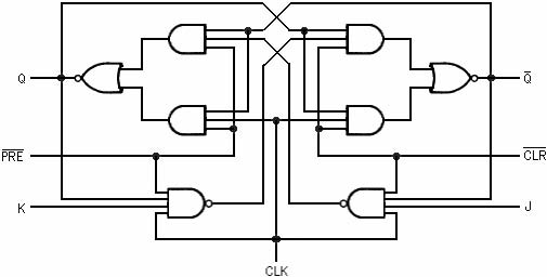
逻辑图

功能表
| 输 | 入 | 输 | 出 | |||
| 预置 | 清除 | 时钟 | ||||
![]() | ![]() |
CLK | J | K | Q | |
| L H L H H H H H | H L L H H H H H | × × × ↓ ↓ ↓ ↓ H | × × × L H L H × | ×××L L H H × | H L H* QO H L 翻 QO | L H H* O L H 转 O |
推荐工作条件
| 符号 | 参数名称 | 74LS76 | 54LS76 | 单位 | |||||
|---|---|---|---|---|---|---|---|---|---|
| 最小 | 典型 | 最大 | 最小 | 典型 | 最大 | ||||
| Vcc | 电源电压 | 4.75 | 5 | 5.25 | 4.5 | 5 | 5.5 | V | |
| VIH | 输入高电平电压 | 2.0 | 2.0 | V | |||||
| VIL | 输入低电平电压 | 0.8 | 0.7 | V | |||||
| IOH | 输出高电平电流 | -400 | -400 | μA | |||||
| IOL | 输出低电平电流 | 8 | 4 | mA | |||||
| fCK | 时钟频率 | 0 | 30 | 0 | 30 | MHz | |||
| tW | 脉冲宽度 | 时钟高电平 | 20 | 20 | ns | ||||
| 预置或清除低 | 25 | 25 | |||||||
| tsu | 建立时间 | 高电平数据 | 20↓ | 20↓ | ns | ||||
| 低电平数据 | 20↓ | 20↓ | |||||||
| th | 保持时间 | 0↓ | 0↓ | ns | |||||
| TA | 工作环境温度 | -40 | 85 | -55 | 125 | ℃ | |||
电 性 能:(除特别说明外,均为全温度范围)
| 符号 | 参数名称 | 测试条件 | 74LS76 | 54LS76 | 单位 | |||||
|---|---|---|---|---|---|---|---|---|---|---|
| 最小 | 典型 | 最大 | 最小 | 典型 | 最大 | |||||
| VIK | 输入钳位电压 | Vcc=最小 II =-18mA | -1.5 | -1.5 | V | |||||
| VOH | 输出高电平电压 | Vcc=最小 VIL=最大 VIH=2V IOH=最大 | 2.7 | 2.5 | 3.4 | V | ||||
| VOL | 输出低电平电压 | Vcc=最小 VIL=最大 VIH=2V IOL =最大 | 0.5 | 0.25 | 0.4 | V | ||||
| 输入电流 | Vcc=最大 | J、K | 0.1 | 0.1 | mA | |||||
| II | 清除、预置 | 0.3 | 0.3 | |||||||
| (最大输入电压时 ) | VI=7V | 时钟 | 0.4 | 0.4 | ||||||
| Vcc=最大 | J、K | 20 | 20 | μA | ||||||
| IIH | 输入高电平电流 | VI=2.7V | 清除、预置 | 60 | 60 | |||||
| 时钟 | 80 | 80 | ||||||||
| IIL | 输入低电平电流 | Vcc=最大 VI=0.4V | J、K | -0.4 | -0.4 | mA | ||||
| 清除、预置时钟 | -0.8 | -0.8 | ||||||||
| IOS | 输出短路电流 | Vcc=最大 VO=0V | -20 | -100 | -20 | -100 | mA | |||
| ICC | 电源电流 | Vcc=最大(注) | 6 | 4 | 6 | mA | ||||
注:测 Icc时,所有输出开路,输出 Q和
依次为高电平下测量。测量时,时钟输入接地。所有典型值均在 Vcc=5.0V, TA=25℃下测量得出。交流(开关)参数:Vcc=5.0V, TA=25℃
| 符号 | 参数名称 | 从(输入) | 到(输出) | 测试条件 | 参数值 | 单位 | ||
|---|---|---|---|---|---|---|---|---|
| 最小 | 典型 | 最大 | ||||||
| fmax | 最大时钟频率 | CL=15pF | 30 | 45 | MHz | |||
| tPLH | 传输延迟时间 | 、 | 输出 | 15 | 20 | ns | ||
| tPHL | 传输延迟时间 | 或 CLK | RL=2kΩ | 15 | 20 | |||