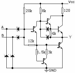
54LS00 / 74LS00 典型参数:tpd=9.5ns Pd=2mW/每门逻辑符号:


逻辑式: 外引线排列图: 逻辑表:

| 输入 | 输出 | |
| A | B | Y |
| H | H | L |
| L | × | H |
| × | L | H |
推荐工作条件
| 符号 | 参数名称 | 74LS00 | 54LS00 | 单位 | ||||
|---|---|---|---|---|---|---|---|---|
| 最小 | 典型 | 最大 | 最小 | 典型 | 最大 | |||
| Vcc | 电源电压 | 4.75 | 5 | 5.25 | 4.5 | 5 | 5.5 | V |
| VIH | 输入高电平电压 | 2 | 2 | V | ||||
| VIL | 输入低电平电压 | 0.8 | 0.7 | V | ||||
| IOH | 输出高电平电流 | -400 | -400 | μA | ||||
| IOL | 输出低电平电流 | 8 | 4 | mA | ||||
| TA | 工作环境温度 | -40 | 85 | -55 | 125 | ℃ | ||
电 性 能:(除特别说明外,均为全温度范围)
| 符号 | 参数名称 | 测试条件 | 74LS00 | 54LS00 | 单位 | ||||
|---|---|---|---|---|---|---|---|---|---|
| 最小 | 典型 | 最大 | 最小 | 典型 | 最大 | ||||
| VIK | 输入钳位电压 | Vcc=最小 II=-18mA | -1.5 | -1.5 | V | ||||
| VOH | 输出高电平电压 | Vcc=最小 VIL =最大 IOH =最大 | 2.7 | 2.5 | 3.4 | V | |||
| VOL | 输出低电平电压 | Vcc=最小 VIH=2V IOL=最大 | 0.5 | 0.25 | 0.4 | V | |||
| II | 输入电流 (最大输入电压时 ) | Vcc=最大 VI=7V | 0.1 | 0.1 | mA | ||||
| IIH | 输入高电平电流 | Vcc=最大 VI=2.7V | 20 | 20 | μA | ||||
| IIL | 输入低电平电流 | Vcc=最大 VI=0.4V | -0.4 | -0.4 | mA | ||||
| IOS | 输出短路电流 | Vcc=最大 VO=0V | -20 | -100 | -20 | -100 | mA | ||
| ICCH | 高电平电源电流 | Vcc=最大 VI=0V | 1.6 | 0.8 | 1.6 | mA | |||
| ICCL | 低电平电源电流 | Vcc=最大输入开路 | 4.4 | 2.4 | 4.4 | mA | |||
注:所有典型值均在 Vcc=5.0V, TA=25℃下测量得出。交流(开关)参数:Vcc=5.0V, TA=25℃
| 符号 | 参数名称 | 从(输入) | 到(输出) | 测试条件 | 参数值 | 单位 | ||
|---|---|---|---|---|---|---|---|---|
| 最小 | 典型 | 最大 | ||||||
| tPLH | 传输延迟 | A或 B | Y | 9 | 15 | ns | ||
| tPHL | 传输延迟 | A或 B | Y | CL=15pF RL=2kΩ | 10 | 15 | ns |