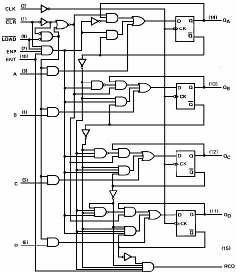
这种同步可预置四位二进计数器是由四个 D型触发器和若干个门电路构成,内部有超前进位,具有计数、置数、禁止、同步清零等功能。对所有触发器同时加上时钟,使得当计数使能输入和内部门发出指令时输出变化彼此协调一致而实现同步工作。这种工作方式消除了非同步(脉冲时钟)计数器中常有的输出计数尖峰。缓冲时钟输入将在时钟输入上升沿触发四个触发器。
这种计数器是可全编程的,即输出可预置到任何电平。当预置是同步时,在置数输入上将建立一低电平,禁止计数,并在下一个时钟之后不管使能输入是何电平,输出都与建立数据一致。清除功能是同步的,不管使能输入为何电平,清除输入端的低电平将在下一个时钟脉冲之后把所有四个触发器的输出置为低电平。当用一个外接与非门来对所需的最大计数器进行译码时,这种同步清除可以很容易地改变计数长度。门输出与清除输入相连以同步将计数器清除到 0000(LLLL)。
有了超前进位电路后,无须另加门,即可级联出 n位同步应用的计数器。它是借助于两个计数使能输入和一个动态进位输出来实现的。两个计数使能输入( ENP和 ENT)计数时必须是高电平,且输入 ENT必须正反馈,以便使能动态进位输出。因而被使能的动态进位输出将产生一个高电平输出脉冲,其宽度近似等于 QA输出高电平。此高电平溢出进位脉冲可用来使能其后的各个串联级。使能 ENP和 ENT输入的跳变不受时钟输入的影响。
电路有全独立的时钟电路。改变工作模式的控制输入(使能 ENP、ENT或清零)纵使发生变化,直到时钟发生为止,都没有什么影响。计数器的功能(不管使能、不使能、置数或计数)完全由稳态建立时间和保持时间所要求的条件来决定。
逻辑图 典型清除、置数、计数和禁止时序

| 符号 | 参数名称 | 74LS163 | 54LS163 | 单位 | |||||
|---|---|---|---|---|---|---|---|---|---|
| 最小 | 典型 | 最大 | 最小 | 典型 | 最大 | ||||
| Vcc | 电源电压 | 4.75 | 5 | 5.25 | 4.5 | 5 | 5.5 | V | |
| VIH | 输入高电平电压 | 2.0 | 2.0 | V | |||||
| VIL | 输入低电平电压 | 0.8 | 0.7 | V | |||||
| IOH | 输出高电平电流 | -400 | -400 | μA | |||||
| IOL | 输出低电平电流 | 8 | 4 | mA | |||||
| fCK | 时钟频率 | 0 | 25 | 0 | 25 | MHz | |||
| tW | 脉冲宽度 | 时钟 | 25 | 25 | ns | ||||
| 清零 | 20 | 20 | |||||||
| 数据 | 20 | 20 | ns | ||||||
| 使能 | 20 | 20 | |||||||
| tsu | 建立时间 | 置数 | 20 | 20 | |||||
| 置数无效态 | 20 | 20 | |||||||
| 清零 | 20 | 20 | |||||||
| 清零无效态 | 25 | 25 | |||||||
| th | 保持时间 | 3 | 3 | ns | |||||
| TA | 工作环境温度 | -40 | 85 | -55 | 125 | ℃ | |||
| 符号 | 参数名称 | 测试条件 | 74LS163 | 54LS163 | 单位 | |||||
|---|---|---|---|---|---|---|---|---|---|---|
| 最小 | 典型 | 最大 | 最小 | 典型 | 最大 | |||||
| VIK | 输入钳位电压 | Vcc=最小 II =-18mA | -1.5 | -1.5 | V | |||||
| VOH | 输出高电平电压 | Vcc=最小 VIL =最大 VIH=2V IOH=最大 | 2.7 | 2.5 | 3.4 | V | ||||
| VOL | 输出低电平电压 | Vcc=最小 VIL=最大 VIH=2V IOL =最大 | 0.5 | 0.25 | 0.4 | V | ||||
| II | 输入电流 | Vcc=最大 VI=7V | CLK、ENT、 | 0.2 | 0.2 | mA | ||||
| (最大输入电压时 ) | 其它 | 0.1 | 0.1 | |||||||
| IIH | 输入高电平电流 | Vcc=最大 VI=2.7V | CLK、ENT、 | 40 | 40 | μA | ||||
| 其它 | 20 | 20 | ||||||||
| IIL | 输入低电平电流 | Vcc=最大 VI=0.4V | CLK、ENT、 | -0.8 | -0.8 | mA | ||||
| 其它 | -0.4 | -0.4 | ||||||||
| IOS | 输出短路电流 | Vcc=最大 VO=0V | -20 | -100 | -20 | -100 | mA | |||
| ICCH | 高电平电源电流 | Vcc=最大(注 1) | 31 | 18 | 31 | mA | ||||
| ICCL | 低电平电源电流 | Vcc=最大(注 2) | 32 | 19 | 32 | mA | ||||
注 1:测 ICCH时,所有输出为高电平并开路;
注 2:测 ICCL时,所有输出为低电平并开路;所有典型值均在 Vcc=5.0V, TA=25℃下测量得出。
| 符号 | 参数名称 | 从(输入) | 到(输出) | 测试条件 | 参数值 | 单位 | ||
|---|---|---|---|---|---|---|---|---|
| 最小 | 典型 | 最大 | ||||||
| fmax | 最大时钟频率 | 25 | 32 | MHz | ||||
| tPLH | 传输延迟时间 | 时钟 CLK | 动态进位输出 | 20 | 35 | ns | ||
| tPHL | 传输延迟时间 | RCO | 18 | 35 | ||||
| tPLH | 传输延迟时间 | 时钟 CLK | 任一 Q | 13 | 24 | ns | ||
| tPHL | 传输延迟时间 | (置数输入为高 ) | CL=15pF | 18 | 27 | |||
| tPLH | 传输延迟时间 | 时钟 CLK | 任一 Q | 13 | 24 | ns | ||
| tPHL | 传输延迟时间 | (置数输入为低 ) | RL=2kΩ | 18 | 27 | |||
| tPLH | 传输延迟时间 | 使能 ENT | 动态进位输出 | 9 | 14 | ns | ||
| tPHL | 传输延迟时间 | RCO | 9 | 14 | ||||
| tPHL | 传输延迟时间 (注) | 清零 CLR | 任一 Q | 20 | 28 | ns | ||
注:从时钟转换处测量。