54LS51 / 74LS51 LSTTL型二路2输入/3输入与或非门

54LS51 / 74LS51 典型参数:tpd=12.5ns Pd=2.75mW/每门

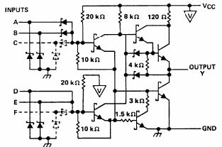
逻辑符号:

逻辑式:外引线排列图:

1Y = (1A·1B·1C)+(1D·1E·1F)

2Y = (2A·2B)+(2C·2D)

推荐工作条件

符号  参数名称   74Ⅱ  54LS51  单位
最小 典型 最大 最小 典型 最大
Vcc 电源电压 4.75 5 5.25 4.5 5 5.5 V
VIH 输入高电平电压 2     2     V
VIL 输入低电平电压     0.8     0.7 V
IOH 输出高电平电流     -400     -400 μA
IOL 输出低电平电流     8     4 mA
TA 工作环境温度 -40   85 -55   125

电 性 能:(除特别说明外,均为全温度范围)

符号  参数名称  测试条件  74LS51 54LS51 单位
最小 典型 最大 最小 典型 最大
VIK 输入钳位电压 Vcc=最小 II=-18mA     -1.5     -1.5 V
VOH 输出高电平电压 Vcc=最小 VIL=最大 IOH=最大 2.7     2.5 3.4   V
VOL 输出低电平电压 Vcc=最小 VIH=2V IOL =最大     0.5   0.25 0.4 V
II 输入电流 (最大输入电压时 ) Vcc=最大 VI=7V     0.1     0.1 mA
IIH 输入高电平电流 Vcc=最大 VI=2.7V     20     20 μA
IIL 输入低电平电流 Vcc=最大 VI=0.4V     -0.4     -0.4 mA
IOS 输出短路电流 Vcc=最大 VO=0V -20   -100 -20   -100 mA
ICCH 高电平电源电流 Vcc=最大 VI=0V     1.6   0.8 1.6 mA
ICCL 低电平电源电流 Vcc=最大输入开路     2.8   1.4 2.8 mA

注:所有典型值均在 Vcc=5.0V, TA=25℃下测量得出。交流(开关)参数:Vcc=5.0V, TA=25℃

符号 参数名称 从(输入) 到(输出) 测试条件  参数值  单位
最小 典型 最大
tPLH 传输延迟时间 任一输入 Y     12 20 ns
tPHL 传输延迟时间     CL=15pF RL=2kΩ   12.5 20 ns
54LS51 / 74LS51 技术支持