E8602 特 点

封装形式: TO—8 8脚金属园管壳
使用温度范围: E8602 –30℃— — +70℃
–55℃— — +125℃
功能框图 BIAS(偏置) VCC
3
5
时钟输入 CLOCK 1 E8602 6 OUTPUT输出
时钟输入 CLOCK ÷2 OUTPUT输出
2 7
8
VEE
ECL参数表 (电源电压:VEE=-5.2V±0.25V,VCC=0V,TA为全温度范围)
| 电特性参数 | 符号 | 规范值 | 单位 | 测试条件 | |
|---|---|---|---|---|---|
| 最小值 | 最大值 | ||||
| 电源电流 | IEE | 18 | mA | VEE =-5.2V | |
| ECL输出高电平 | VOH | -0.85 | -0.70 | V | VEE =-5.2V(25℃) |
| ECL输出低电平 | VOL | -1.80 | -1.40 | V | VEE=-5.2V(25℃) |
| 正弦输入最高频率 | fMAX | 500 | MHz | 输入=400~800 mVP—P | |
| 正弦输入最低频率 | fMIN | 40 | MHz | 输入=400~800 mVP—P | |
| 最小输出幅度 | VOUT | 400 | mV | ||
注:VOH、VOL的温度系数分别是: +1.63mV/℃、+0.94 mV/℃。
说明:
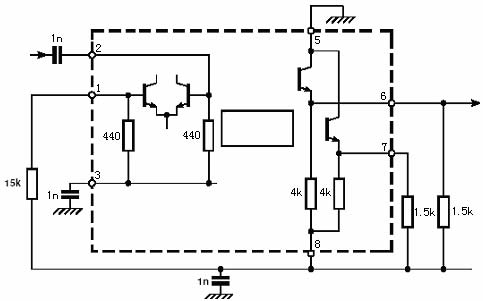
本电路是工作频率为 500MHz的 ECL÷2分频器。电路可以在单端输入或双端互补输入条件下工作。在这两种条件下,输入与信号源之间均为标准的电容耦合方式。本电路具有两个互补的射极跟随器输出。当使用外部下位电阻时,它们具有与 ECL10K系列电路相容的输出。
ECL输出 E8602
VCC
输入
偏置 BIAS
VEE
图 1 .典型应用电路应用说明:
1.时钟输入( 1、2脚)可以单端或双端差分驱动,并且用电容耦合到信号源上。