ER139 最大电源电压:36V; 电源电流/通道:0.2mA(典型值); 最大输入偏置:300nA; 输出电流: 16mA(典型值);

使用温度范围 -55℃~ +125℃
封装形式陶瓷双列 14引线封装
说明:
ER139内含个独立的四高精度电压比较器,失调电压最大 2mV,可使用单电源或正 /负电源工作。其共模输入电压要求可达地电平。该电路主要由几个功能单元组成 :启动部分、偏置部分、差分电压比较器、开路输出驱动。启动部分电路主要由 JFET和两个二极管组成。由于在高电压下 JFET工作在饱和区,保证了不同工作电压下偏置电流基本不变。
电压比较器部分为了使得输入电压范围比较宽和达到地电平,差分放大部分电路采用 PNP管输入级。线路图
绝对最大额定值
电源电压(VCC)…………………………………………… 36V 输入电流(IIN)…………………………………………… 50mA 差模输入电压(VIDM)……………………………………… 36V 贮存温度(Tstg)………………………………………… -65℃~150℃ 引线耐焊接温度(10s)(Th)…………………………… 300℃ 结 温(Tj)……………………………………………… 175℃
电参数: 测试线路图
| 特性 | 符号 | 条 件 (除另有规定外, -55℃≤T A≤125℃, V cc=5V) | 规 范 值 | 单位 | ||
|---|---|---|---|---|---|---|
| 最小 | 典型 | 最大 | ||||
| 输入 | Vcc=5V~30V, VO≈1.4V,RS=0Ω | - | - | 9.0 | mV | |
| 失调电压 | VIO | Vcc=5V~30V,VO≈1.4V,RS=0Ω,TA=25℃ | - | 2.0 | 5.0 | |
| 输入 偏置电流 | IIB | IIN(+)或 IIN(-)在输出为线性范围内,VCM=0V | - | - | 300 | nA |
| IIN(+)或 IIN(-)在输出为线性范围内,VCM=0V, TA=25℃ | - | 25 | 100 | |||
| 输入 | IIN(+)-IIN(-),VCM=0V | - | - | 100 | nA | |
| 失调电流 | IIO | IIN(+)-IIN(-),VCM=0V,TA=25℃ | - | 3.0 | 25 | |
| 电压增益 | AV | RL≥15KΩ, Vcc=15V, VO=1V~10V,TA=25℃ | 50 | 200 | - | V/mV |
| 输出 阱电流 | ISINK | VIN(-)=1V, VIN(+)=0, VO≤1.5V,TA=25℃ | 6.0 | 16 | - | mA |
| 饱和电压 | Vsat | VIN(-)=1V,VIN(+)=0V,ISINK≤4mA | - | - | 700 | mV |
| VIN(-)=1V,VIN(+)=0V,ISINK≤4mA,TA=25℃ | - | 250 | 400 | |||
| 输出 | VIN(+)=1V,VIN(-)=0V,VO=30V | - | - | 1.0 | µA | |
| 漏电流 | IOUT | VIN(+)=1V,VIN(-)=0V,VO=5V,TA=25℃ | - | - | 1.0 | |
| 电源电流 | ICC | RL=∞,Vcc=36,TA=25℃ | - | 0.8 | 2.0 | mA |
| 大信号 响应时间 | tR1 | VIN=TTL方波,VREF=1.4V,VRL=5V,RL=5.1KΩ, TA=25℃ | - | 300 | 600 | ns |
| 响应时间 | tR2 | VRL=5V, RL=5.1KΩ,TA=25℃ | - | 0.5 | 1.5 | µs |

特性曲线

源电流输入电流

输出饱和电压

各种过激的响应时间―负跃迁

各种过激的响应时间―正跃迁
应用线路
(a)V+=5.0VDC时

基本比较器

驱动 CMOS驱动 TTL
应用线路(续)

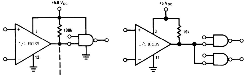
与门或门
(b)V+=15VDC

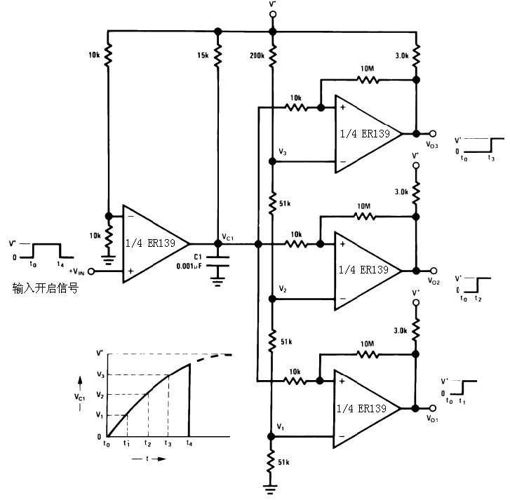
单触发多频振荡器

双稳定多频振荡器

各种过激的响应时间―正跃迁
应用线路
(a)V+=5.0VDC时

基本比较器

驱动 CMOS驱动 TTL
应用线路(续)

延时发生器

正相磁滞比较器反相磁滞比较器
应用线路(续)

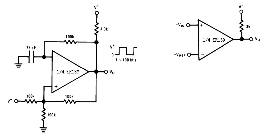
方波振荡器基本比较器

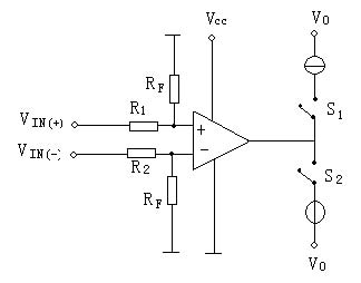
限定比较器反极性输入电压比较

输出选通脉冲
应用线路(续)

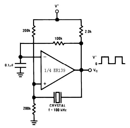
晶控振荡器

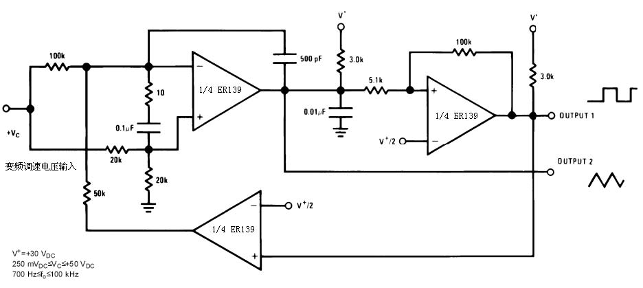
二十进制高频航向控制震荡器

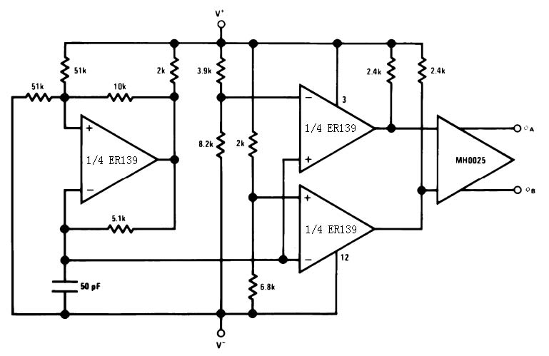
换能器放大器零交叉检波器(单电源)
应用线路(续)
(c)V+=+15VDC V― =―15VDC

MOS时钟驱动器

零交叉检波器含反向参考电压的比较器