概述:
ER3020/ER3020A 是一个多级、多用途、宽频带功率放大器硅单片集成电路。ER3020/ER3020A是采用多用途和稳定的直接耦合形式电路,具有频率范围宽,电压增益和功率增益高,输出功率大等特点,加之在很宽的温度范围内很稳定,使得ER3020/ER3020A非常适合在军事、工业和商业设备中使用。
ER3020/ER3020A适合在商业上作为B类功率放大器应用。ER3020/ER3020A在12VDC下最大输出功率为1W,典型功率增益为75dB。在9V下可提供最大0.5W的功率输出和75dB的功率增益。
特性:
B类放大器高功率输出:
ER3020………………0.5W(Typ)at Vcc=9V
ER3020A………………1.0 W(Typ)at Vcc=12V
宽频率范围………………电阻性负载可达8MHz
高功率增益………………75dB(Typ)
B类放大器工作与变压器的单电源电压:
ER3020………………3V~9V
ER3020A………………3V~12V
嵌入温度跟踪调节器可提供宽达-55℃~125℃的温度工作范围
应用:
便携定音通讯系统的音频功率放大器 伺服控制放大器
宽带线性混频器 视频功率放大器
线性传输功率放大器 计算机逻辑电路的扇入扇出放大器
灯控放大器 发动机控制放大器
功率多谐振荡器 功率开关
封装形式与管脚排列:

双列14引线封装俯视图
引出端 序号 | 功 能 | 符号 | 引出端 序号 | 功 能 | 符号 |
1 | 缓冲放大输出端 | OUT | 8 | 输出端 | OUT4 |
2 | 差分输入端 | IN1 | 9 | 基准电阻调整端 | OA1 |
3 | 差分输入端 | IN2 | 10 | 正电源端 | V+ |
4 | 空 端 | NC | 11 | 缓冲放大输入端 | IN3 |
5 | 输出端 | OUT1 | 12 | 基准电阻调整端 | OA2 |
6 | 输出端 | OUT2 | 13 | 空 端 | NC |
7 | 输出端 | OUT3 | 14 | 负电源端 | V- |
TO-10金属圆形封装
引出端 序号 | 功 能 | 符号 | 引出端 序号 | 功 能 | 符号 |
1 | 缓冲放大输出端 | OUT | 7 | 输出端 | OUT4 |
2 | 差分输入端 | IN1 | 8 | 基准电阻调整端 | OA1 |
3 | 差分输入端 | IN2 | 9 | 正电源端 | V+ |
4 | 输出端 | OUT1 | 10 | 缓冲放大输入端 | IN3 |
5 | 输出端 | OUT2 | 11 | 基准电阻调整端 | OA2 |
6 | 输出端 | OUT3 | 12 | 负电源端 | V- |
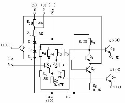
电路原理图:
注:括号内对应TO-12金属圆形封装管脚排列序号。
绝对最大额定值:(TA=25℃)
电源电压(VCC) ER3020……………………………… +10V
ER3020A …………………………… +12V
最大电源电流(ICC,9脚)…………………………… 20mA
11腿最大汇点电流(I11) …………………………………20mA
输出电压:V4和V7
ER3020………………………………………………25V
ER3020A …………………………………………18V
输出电流(IO)…………………………………………300mA
输入电压范围(V2,V3)……………………………-2V~2V
最大输入电压,V10(相对于1腿)……………………-3V
最大源电流,V1…………………………………………1mA
工作温度范围……………………………………-55℃~125℃
贮存温度(Tstg)……………………………… -65℃~150℃
引线耐焊接温度(10s)(Th)…………………………300℃
结 温(Tj)……………………………………………175℃
最大导线温度(焊接10s):…………………………………300℃
电特性 :
参数名称 | 符号 | 测试条件 | ER3020 | ER3020A | 单位 | |||||
直流电源电压 | ||||||||||
VCC1 | VCC2 | 最小 | 典型 | 最大 | 最小 | 典型 | 最大 | |||
Q6和Q7C-E击穿电压(在10mA下) | V(BR)CER | - | - | 18 | - | - | 25 | - | - | V |
Q1C-E击穿电压 (在0.1mA下) | V(BR)CER | - | - | 10 | - | - | 10 | - | - | V |
Q6和Q7空载电流 | I4IDLE I7IDLE | 9.0 | 2.0 | - | 5.5 | - | - | 5.5 | - | mA |
Q6和Q7最大输出电流 | I4PK,I7PK | 9.0 | 2.0 | 140 | - | - | 180 | - | - | mA |
Q6和Q7截止电流 | I4CUTOFF I7CUTOFF | 9.0 | 2.0 | - | - | 1.0 | - | - | 1.0 | mA |
差分放大电流增益 | ICC1 | 9.0 | 2.0 | 6.3 | 9.4 | 12.5 | 6.3 | 9.4 | 12.5 | mA |
总电流增益 | ICC1+ICC2 | 9.0 | 2.0 | 8.0 | 21.5 | 35.0 | 14.0 | 21.5 | 30.0 | mA |
差分放大输入端电压 | V2,V3 | 9.0 | 2.0 | - | 1.11 | - | - | 1.11 | - | V |
调节器端电压 | V11 | 9.0 | 2.0 | - | 2.35 | - | - | 2.35 | - | V |
Q1C-E截止电流 | ICEO | 10.0 | - | - | - | 100 | - | - | 100 | μA |
E-B | IEBO | 3.0 | - | - | - | 0.1 | - | - | 0.1 | μA |
C-B | ICBO | 3.0 | - | - | - | 0.1 | - | - | 0.1 | μA |
正向电流放大倍数 (Q1在3mA下) | HFE1 | 6.0 | - | 30 | 75 | - | 30 | 75 | - | |
带宽(在-3dB) | BW | 6.0 | 6.0 | - | 8 | - | - | 8 | - | MHz |
最大功率输出(RCC=130Ω) | PO(MAX) | 6.0 | 6.0 | 200 | 300 | - | 200 | 300 | - | mW |
9.0 | 9.0 | 400 | 550 | - | 400 | 550 | - | mW | ||
最大功率输出(RCC=200Ω) | 9.0 | 12.0 | - | - | - | 800 | 1000 | - | mW | |
POUT=400mW时灵敏度 | eIN | 9.0 | 9.0 | - | 35 | 35 | - | - | - | mV |
POUT=800mW时灵敏度 | eIN | 9.0 | 12.0 | - | - | - | - | 50 | 100 | mV |
输入电阻-腿3对地 | RIN3 | 6.0 | 6.0 | - | 1000 | - | - | 1000 | - | Ω |
ER3020,ER3020A
8MHz宽带功率放大器
典型参数:
参数名称 | 符号 | 3020 | 3020A | 单位 | |
电源电压 | VCC1 | 9.0 | 9.0 | V | |
VCC2 | 9.0 | 12.0 | V | ||
零信号电流 | 差分放大器 | ICC1 | 15 | 15 | mW |
输出放大器 | ICC2 | 24 | 24 | mW | |
零信号电流 | 差分放大器 | ICC1 | 16 | 16.6 | MW |
输出放大器 | ICC2 | 125 | 140 | mW | |
最大功率输出(THD=10%) | PO | 550 | 1000 | mW | |
灵敏度 | eIN | 35 | 45 | mV | |
功率增益 | GP | 75 | 75 | dB | |
输入电阻 | RIN | 55 | 55 | kΩ | |
效率 | η | 45 | 55 | % | |
信噪比 | S/N | 70 | 66 | dB | |
谐波失真THD(150mW) | 3.1 | 3.3 | % | ||
600Ω振荡器的测试信号频率 | 1000 | 1000 | Hz | ||
等效集电极-集电极负载电阻 | RCC | 130 | 200 | Ω | |
典型应用线路:
典型的音频放大器线路(B类功率放大器)