简要说明
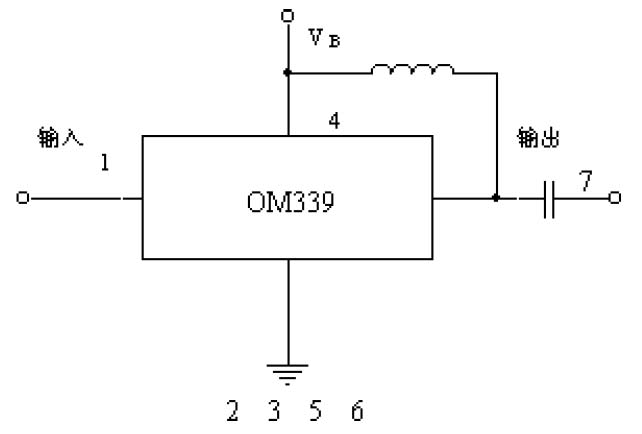
外形以及管脚排列


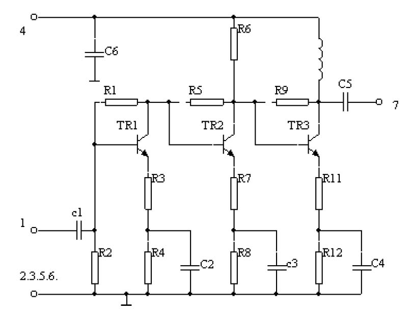
应用以及线路原理图


注L5.6H
C220pf
参数值
名称 | 符号 | 单位 | 最小 | 典型 | 最大 | 备注 | 测试温度 | ||||||||
带宽 | BW | MHz | 40860 | TA﹢25 | |||||||||||
输入输出阻抗 | RS | 75 | RsReZo | ||||||||||||
增益 | Gtr | dB | 24 | 28 | 30 | Gtr∣Sf∣2 | |||||||||
带宽不平坦度 | ∣Sf∣2 | dB | 1 | 2 | 以800 MHz为基准 | ||||||||||
输出电压 | Vorms | dBV | 105 | 107 | 互调失真60 dB | ||||||||||
噪声系数 | NF | dB | 4.8 | 6 | |||||||||||
驻波比 | 输入 | VswRi | 1.5 | 2.5 | |||||||||||
输出 | VswRo | 1.5 | 2.5 | ||||||||||||
电源电压DC | VB | V | 24V10% | ||||||||||||
电源电流 | IB | mA | 67 | 75 | 电源电压24V | ||||||||||
工作环境温度 | TA | 30100 | |||||||||||||
焊接建议
手工焊接
烙铁温度最高不超过260接触座面的时间不超过5秒
浸入焊或波峰焊
焊接最高温度为260接触时间不超过5秒连续波峰焊总时间不超过5秒
该器件可安装在印刷电路板上但器件温度不得超过125如果印刷电路板已经预热为了使温度保持在容限下在焊接后应立即冷却使其温度保持在所允许容限下
安装建议
放大器最好安装在双面印刷板上输入端和输出端应接在75导轨上与共用脚的连接应尽量靠近座面