OM370 / OM2070 甚高频/超高频混合宽带放大器

简要说明

外形以及管脚排列

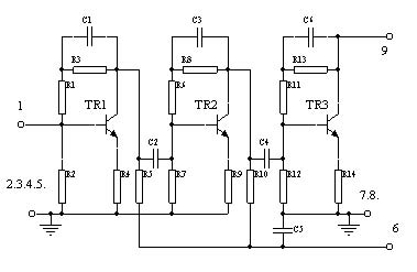
应用以及线路原理图

注L5.6H

C220pf

参数值

名称

符号

单位

最小

典型

最大

备注

测试温度

带宽

BW

MHz

40860

TA﹢25

输入输出阻抗

RS

75

RsReZo

增益

Gtr

dB

26

28

31

Gtr∣Sf∣2

带宽不平坦度

∣Sf∣2

dB

1

2

以800 MHz为基准

输出电压

Vorms

dBV

111

113

互调失真60 dB

VHF

110

112

UHF

噪声系数

NF

dB

4.8

6

驻波比

输入

VswRi

2.3

2.6

输出

VswRo

1.9

2.3

电源电压DC

VB

V

12V10%

电源电流

IB

mA

105

115

电源电压12V

工作环境温度

TA

2070

焊接建议

手工焊接

烙铁温度最高不超过260接触座面的时间不超过5秒

浸入焊或波峰焊

焊接最高温度为260接触时间不超过5秒连续波峰焊总时间不超过5秒

该器件可安装在印刷电路板上但器件温度不得超过125如果印刷电路板已经预热为了使温度保持在容限下在焊接后应立即冷却使其温度保持在所允许容限下

安装建议

放大器最好安装在双面印刷板上输入端和输出端应接在75导轨上与共用脚的连接应尽量靠近座面

OM370 / OM2070 技术支持