KJ041 可控硅移相触发器

  KJ041六路双脉冲形成器是三相全控桥式触发线路中必备的电路,具有双脉冲形成和电子开关控制封锁功能。使用2块有电子开关控制的KJ041电路组成逻辑控制,适用于正反组可逆系统。
  一、电路工作原理:
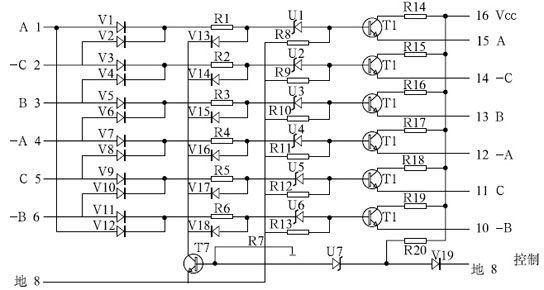
  KJ041电路是脉冲逻辑电路。当把移相触发器的触发脉冲输入到KJ041电器的1~6端时,由输入二极管完成“或”功能,形成双脉冲,再由T1~T6电流放大分六路输出。补脉冲按+A←-’—C←+B,+B←—A,—A←+C,+C←—B,—B←+A顺序列组合。T7是电子开关,当控制7端接逻辑“0’’电平时T7截止,各路输出触发脉冲。当控制7端接逻辑“1”电子(+15V)时T7导通,各路无输出触发脉冲。KJ041电路内部原理图如下,图中输出端如果接3DK4作功率放大,可得到800mA的触发脉冲电流。使用2块KJ041电路相应输人端并联,二个控制端分别作为正反组控制输入端,输出接12个功率放大管,这样就可组成一个12脉冲正反组控制可逆系统,控制端逻辑“0”电平有效。

KJ041可控硅移相电路内部原理图

三、封装形式:

该电路采用双列直插C—16线白瓷和黑瓷两种外壳封装,外形尺寸按电子工业部部颁标准《半导体集成电路外形尺寸》SJ1100—76

功能
输入端
控制端
输出端
+Vcc
引出脚号
1 2 3 4 5 6
7
8
9
11 12 13 14 15
16

四、电参数:

  1.电源电压:直流+15V,允许波动±5%(±10%时功能正常)。
   2.电源电流:≤20mA。
   3.输出脉冲:
   (1)最大输出能力:20mA(流出脉冲电流)。
   (2)幅度:≥13V,(负载电阻50Ω)。
   8.输入端二极管反压:≥30V。
   9.控制端正向电流≤8mA。