LT1785 具故障保护功能的 60V RS485/RS422 收发器

LT®1785/LT1791 是面向 RS485 和 RS422 应用的半双工和全双工差分总线收发器,这些器件具有针对数据传输线路上过压故障的片内保护电路。接收器输入和驱动器输出引脚能够承受高达 ±60V (相对于地电位) 的电压故障,而不会损坏器件。故障有可能在收发器处于运行、停机或断电状态时发生。

在由多达 128 个节点组成的网络上可支持 250kbaud 数据速率。驱动器输出端上的受控转换速率用于控制EMI辐射,并改善不当终接线路上的数据传输完整性。驱动器的规格要求其必须能够在采用廉价电缆 (具有低至 72Ω 的特征阻抗) 的情况下正常运作。

LT1785A/LT1791A 器件具有“故障保险”接收器输入,旨在保证接收器输出对于短路、开路或待用数据线路为高电平状态。内置 ESD 保护电路免除了增设外部保护器件的需要。

LT1785/LT1785A 采用 8 引脚 DIP 和 SO 封装,而 LT1791/LT1791A 则采用 14 引脚 DIP 和 SO 封装。

产品特点 Features
  • 提供了至 ±60V 的过压线路故障保护
  • 引脚与 LTC485 和 LTC491 兼容
  • 高输入阻抗支持多达 128 个节点
  • 不会因 ESD 而发生损坏或闭锁现象
    IEC-1000-4-2 Level 4:±15kV 空气放电
    IEC-1000-4-2 Level 2:±4kV 接触放电
  • 用于 EMI 辐射控制的受控转换速率
  • 对于浮置、短路或待用输入,接收器输出保证为高电平状态
  • 当被关断或断电时,输出呈高阻抗状态
  • 驱动低成本、低阻抗电缆
  • 在所有的输出端上均提供了短路保护
  • 具热停机保护功能
  • 可在高达 125℃ 的温度条件下保证操作性能
应用
  • 工业控制数据网络
  • CAN 总线应用
  • HVAC 控制
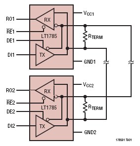
典型应用图
LT1785 典型应用
参数
LT1785 参数
LT1785 订购信息和价格参考Package Variations and Pricing
器件型号 封装 引脚 温度 价格 (以 1 ~ 99 片为批量) 价格 (以 1000 片为批量) *
LT1785ACN8 PDIP 8 C $2.80 $2.35
LT1785ACN8#PBF PDIP 8 C $2.80 $2.35
LT1785ACS8 SO 8 C $2.85 $2.40
LT1785ACS8#PBF SO 8 C $2.85 $2.40
LT1785ACS8#TR SO 8 C $2.46
LT1785ACS8#TRPBF SO 8 C $2.46
LT1785AHN8#PBF PDIP 8 H $4.24 $2.97
LT1785AHS8#PBF SO 8 H $4.40 $3.08
LT1785AHS8#TRPBF SO 8 H $3.14
LT1785AIN8 PDIP 8 I $3.75 $2.70
LT1785AIN8#PBF PDIP 8 I $3.75 $2.70
LT1785AIS8 SO 8 I $3.85 $2.80
LT1785AIS8#PBF SO 8 I $3.85 $2.80
LT1785AIS8#TR SO 8 I $2.86
LT1785AIS8#TRPBF SO 8 I $2.86
LT1785CN8 PDIP 8 C $2.30 $1.95
LT1785CN8#PBF PDIP 8 C $2.30 $1.95
LT1785CS8 SO 8 C $2.35 $2.00
LT1785CS8#PBF SO 8 C $2.35 $2.00
LT1785CS8#TR SO 8 C $2.06
LT1785CS8#TRPBF SO 8 C $2.06
LT1785HN8#PBF PDIP 8 H $3.54 $2.48
LT1785HS8#PBF SO 8 H $3.61 $2.53
LT1785HS8#TRPBF SO 8 H $2.59
LT1785IN8 PDIP 8 I $2.65 $2.25
LT1785IN8#PBF PDIP 8 I $2.65 $2.25
LT1785IS8 SO 8 I $2.70 $2.30
LT1785IS8#PBF SO 8 I $2.70 $2.30
LT1785IS8#TR SO 8 I $2.36
LT1785IS8#TRPBF SO 8 I $2.36
LT1785 数据手册及相关资料下载
  1. 数据手册 (英文) : LT1785/LT1791 - 60V Fault Protected RS485/RS422 Transceivers.PDF
  2. 可靠性数据 : R001 Reliability Data .PDF
  3. 产品选型卡 : Ultra Rugged ±60V RS485 Transceivers.PDF
  4. 产品选型卡 : RS485 Quick Guide.PDF