LTC2162 16 位、65Msps、低功率 ADC

LTC®2162 / LTC2161 / LTC2160 是采样 16 位 A/D 转换器,专为对高频、宽动态范围信号进行数字化处理而设计。这些器件非常适合要求苛刻的通信应用,其 AC 性能包括 77dB SNR 和 90dB 无寄生动态范围 (SFDR)。0.07psRMS 的超低抖动实现了 IF 频率的欠采样和卓越的噪声性能。

DC 规格包括整个温度范围内的 ±2LSB INL (典型值)、±0.5LSB DNL (典型值) 和无漏失码。转换噪声为 3.3LSBRMS。

数字输出可以是全速率 CMOS、双倍数据速率 CMOS 或双倍数据速率 LVDS。一个单独的输出电源提供了 1.2V 至 1.8V 的 CMOS 输出摆幅。

可以利用一个正弦波、PECL、LVDS、TTL 或 CMOS 输入对 ENC+ 和 ENC- 输入进行差分或单端驱动。一个任选的时钟占空比稳定器在全速和多种时钟占空比条件下实现了高性能

产品特点 Features
  • 77dB SNR
  • 90dB SFDR
  • 低功率:87mW / 63mW / 45mW
  • 单 1.8V 电源
  • CMOS、DDR CMOS 或 DDR LVDS 输出
  • 可选的输入范围:1VP-P 至 2VP-P
  • 550MHz 满功率带宽 S/H (采样及保持)
  • 任选的数据输出随机函数发生器
  • 任选的时钟占空比稳定器
  • 停机和打盹模式
  • 用于配置的串行 SPI 端口
  • 48 引脚 (7mm x 7mm) QFN 封装
封装
LTC2162 封装
应用
  • 通信
  • 蜂窝基站
  • 软件定义无线电
  • 便携式医学成像
  • 多通道数据采集
  • 非破坏性测试
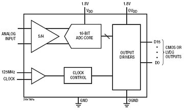
典型应用图
LTC2162 典型应用
参数
LTC2162 参数
LTC2162 订购信息和价格参考Package Variations and Pricing
器件型号 封装 引脚 温度 价格 (以 1 ~ 99 片为批量) 价格 (以 1000 片为批量) *
LTC2162CUK#PBF QFN 48 C $35.71  $25.00 
LTC2162CUK#TRPBF QFN 48 C $25.06 
LTC2162IUK#PBF QFN 48 I $42.86  $30.00 
LTC2162IUK#TRPBF QFN 48 I $30.06 
LTC2164 演示电路板
器件型号 描述
DC1762A-D LTC2162: 16-bit 65Msps ADC, LVDS Outputs, 5-140MHz, req DC890, LVDS_XFMR and DC1075
Companion Boards
器件型号 描述
DC1075A Clock Divider board
DC1164A High Speed ADC Signal Source
DC1216A-A 100MHz High Speed ADC Clock Source
DC1216A-B 122.88MHz High Speed ADC Clock Source
DC1216A-C 80MHz High Speed ADC Clock Source
DC890_LVDS_XFMR LVDS Power Transformer, goes with DC890B/ LVDS output demoboards
DC890B High Speed (up to 250Mbps, CMOS/LVDS) USB Data Collection Board
LTC2162 数据手册及相关资料下载
  1. 数据手册 : LTC2162/LTC2161/LTC2160 - 16-Bit, 65Msps/ 40Msps/25Msps Low Power ADCs.PDF
  2. 可靠性数据 : R538 Reliability Data .PDF
  3. 产品选型卡 : Differential Amplifiers/High Speed ADC Drivers .PDF
  4. 产品选型卡 : Low Power, 16-Bit Dual/Single ADCs .PDF
  5. 软件和仿真: LTC2165 IBIS model.IBS