LTC2483 具 Easy Drive 输入电流抵消功能和 I2C 接口的 16 位 ΔΣ ADC

LTC®2483 实现了一个 16 位加上正负位的无延迟增量累加 (No Latency ΔΣTM) 模数转换器与专利 Easy Drive 技术和 I2C 数字接口的组合。这种已获专利的采样方案通过差分输入电流的自动抵消而消除了动态输入电流误差和片内缓冲的缺点。这使得既能够保持出色的 DC 准确度,同时又可对大的外部源阻抗和具有轨至轨输入范围的输入信号直接进行数字化处理。

LTC2483 提供了一个与基准电压无关的宽共模输入范围 (0V 至 VCC)。该基准可以低至 100mV,也可直接连接至 VCC。噪声电平为 600nVRMS (这与 VREF 无关)。这允许以16 位的准确度对低电平信号直接进行数字化处理。LTC2483 包括一个片内修整振荡器,从而免除了增设外部晶体或振荡器的需要,并提供了 87dB 的 50Hz 和 60Hz 线路频率噪声抑制。在连续、透明、偏移和全标度校准过程中自动地保持了绝对准确度和低漂移。

产品特点 Features
  • Easy DriveTM 技术实现了具零差分输入电流的轨至轨输入
  • 能够以完整的准确度对高阻抗传感器直接进行数字化处理
  • 600nVRMS 噪声 (与 VREF 无关)
  • GND 至 VCC 输入/基准共模范围
  • 二线式 I2C 接口
  • 同时 50Hz/60Hz 抑制
  • 2ppm (0.25LSB) INL,无漏失码
  • 1ppm 偏移和 15ppm 全标度误差
  • 无延迟:数字滤波器可在单个周期内实现稳定
  • 2.7V 至 5.5V 单工作电源
  • 内部振荡器
  • 可提供 6 个地址
  • 采用纤巧型 (3mm x 3mm) 10引脚 DFN 封装
封装
LTC2483 封装
应用
  • 直接传感器数字化转换器
  • 衡器
  • 直接温度测量
  • 应变仪换能器
  • 仪表
  • 工业过程控制
  • DVM 和测量计
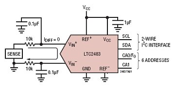
典型应用图
LTC2483 典型应用
参数
LTC2483 参数
LTC2483 订购信息和价格参考Package Variations and Pricing
器件型号 封装 引脚 温度 价格 (以 1 ~ 99 片为批量) 价格 (以 1000 片为批量) *
LTC2483CDD DFN 10 C $2.64  $1.85 
LTC2483CDD#PBF DFN 10 C $2.64  $1.85 
LTC2483CDD#TR DFN 10 C $1.91 
LTC2483CDD#TRPBF DFN 10 C $1.91 
LTC2483IDD DFN 10 I $3.18  $2.22 
LTC2483IDD#PBF DFN 10 I $3.18  $2.22 
LTC2483IDD#TR DFN 10 I $2.28 
LTC2483IDD#TRPBF DFN 10 I $2.28 
LTC2483 演示电路板
器件型号 描述
DC955A LTC2483 16-bit Delta-Sigma ADC demo board (req. DC590)
Companion Boards
器件型号 描述
DC590B USB Serial Controller for linear Technology QuikEval Demo Boards
LTC2483 数据手册及相关资料下载
  1. 数据手册(英文) : LTC2483 - 16-Bit ΔΣ ADC with Easy Drive Input Current Cancellation and I2C Interface.PDF
  2. 设计要点 (英文) : DN368 - Easy Drive Delta-Sigma Analog-to-Digital Converters Cancel Input Current Errors.PDF
  3. 设计要点 (中文) : DN368 -“Easy Drive”增量累加模数转换器消除了输入电流误差.PDF
  4. 可靠性数据 : R461 Reliability Data .PDF
  5. 产品选型卡 : No Latency Delta-Sigma™ ADCs.PDF
  6. 产品选型卡 : Ultra-Tiny 16-Bit ΔΣ ADC Family.PDF
  7. LT Journal: Mar 2007 - Easy Drive Delta-Sigma ADCs Deliver Powerful Features and Reduce Design Effort.PDF