LTC2484 具 Easy Drive 输入电流抵消功能的 24 位 ΔΣ ADC

LTC®2484 实现了一个 24 位 No Latency ΔΣTM 模数转换器与专利 Easy Drive 技术的组合。这种已获专利的采样方案通过差分输入电流的自动抵消而消除了动态输入电流误差和片内缓冲的缺点。这使得能够保持出色 DC 准确度,同时又可对大的外部源阻抗和具有轨至轨输入范围的输入信号直接进行数字化处理。

LTC2484 包括一个片内温度传感器和振荡器。可对 LTC2484 进行配置,以测量一个外部信号或内部温度传感器和抑制线路频率。可以选择 50Hz、60Hz 或同时 50Hz / 60Hz 线路频率抑制以及一种 2x 加速模式。

LTC2484 提供了一个与基准电压无关的宽共模输入范围 (0V 至 VCC)。该基准可以低至 100mV,或直接连接至 VCC。LTC2484 包括一个片内修整振荡器,从而免除了增设外部晶体或振荡器的需要。在连续、透明、偏移和全标度校准过程中自动地保持绝对准确度和低漂移。

产品特点 Features
  • Easy DriveTM 技术实现了具零差分输入电流的轨至轨输入
  • 能够以完整的准确度对高阻抗传感器直接进行数字化处理
  • 600nVRMS 噪声
  • 集成温度传感器
  • GND 至 VCC 输入 / 基准共模范围
  • 可编程 50Hz、60Hz 或同时 50Hz / 60Hz 抑制模式
  • 2ppm INL,无漏失码
  • 1ppm 偏移和 15ppm 总未调整误差
  • 可选的 2x 速度模式 (采用内部振荡器时为 15Hz)
  • 无延迟:数字滤波器可在单个周期内实现稳定
  • 2.7V 至 5.5V 单工作电源
  • 内部振荡器
  • 采用纤巧型 (3mm x 3mm) 10 引脚 DFN 封装
封装
LTC2484 封装
应用
  • 直接传感器数字化转换器
  • 衡器
  • 直接温度测量
  • 应变仪换能器
  • 仪表
  • 工业过程控制
  • DVM 和测量计
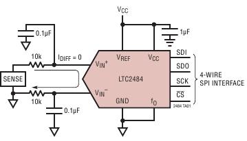
典型应用图
LTC2484 典型应用
参数
LTC2484 参数
LTC2484 订购信息和价格参考Package Variations and Pricing
器件型号 封装 引脚 温度 价格 (以 1 ~ 99 片为批量) 价格 (以 1000 片为批量) *
LTC2484CDD DFN 10 C $3.50  $2.45 
LTC2484CDD#PBF DFN 10 C $3.50  $2.45 
LTC2484CDD#TR DFN 10 C $2.51 
LTC2484CDD#TRPBF DFN 10 C $2.51 
LTC2484IDD DFN 10 I $4.20  $2.94 
LTC2484IDD#PBF DFN 10 I $4.20  $2.94 
LTC2484IDD#TR DFN 10 I $3.00 
LTC2484IDD#TRPBF DFN 10 I $3.00 
LTC2484 数据手册及相关资料下载
  1. 数据手册(英文) : LTC2484 - 24-Bit ΔΣ ADC with Easy Drive Input Current Cancellation.PDF
  2. 设计要点 (英文) : DN368 - Easy Drive Delta-Sigma Analog-to-Digital Converters Cancel Input Current Errors.PDF
  3. 设计要点 (英文) : DN379 - Easy Drive ADCs Simplify Measurement of High Impedance Sensors.PDF
  4. 设计要点 (中文) : DN368 -“Easy Drive”增量累加模数转换器消除了输入电流误差.PDF
  5. 可靠性数据 : R461 Reliability Data .PDF
  6. 产品选型卡 : No Latency Delta-Sigma™ ADCs.PDF