LTC2854 具集成可通断终端的 3.3V 20Mbps RS485/RS422 收发器

LTC®2854LTC2855 是低功率、20Mbps RS485/RS422 收发器,采用 3.3V 工作电源。接收器包括一个逻辑可选的 120Ω 终端,可在每根总线上支持多达 256 个节点的 1/8 单位负载 (C、I 等级) 和一种可在输入浮置或短路的条件下确保高输出状态的故障保险功能。

当被停用或电源被拿掉时,驱动器能够在整个共模范围内保持高输出阻抗。可通过对所有输出进行限流和利用热停机功能来防止因总线争用或故障而导致功耗过大。

增强型 ESD 防护使得 LTC2854 和 LTC2855 分别能够在收发器接口引脚上承受 ±25kV 和 ±15kV HBM (人体模型),而不会发生锁断或受损现象。

产品特点 Features
  • 集成逻辑可选的 120Ω 终端电阻器
  • 3.3V 电源电压
  • 20Mbps 最大数据速率
  • 在高达 ±25kV HBM 的条件下未发生损坏或锁断现象
  • 高输入阻抗支持 256 个节点 (C、I 等级)
  • 工作温度高达 125℃ (H等级)
  • 整个共模范围内的保证故障保险接收器操作
  • 电流受限驱动器和热停机
  • 延迟微功率停机:最大电流消耗为 5μA (C、I 等级)
  • 上电/断电无干扰驱动器输出
  • 低工作电流:接收模式中的典型值为 370μA
  • 符合 TIA/EIA-485-A 规范
  • 采用 10 引脚 3mm x 3mm DFN、12 引脚 4mm x 3mm DFN 和 16 引脚 SSOP 封装
应用
  • 低功率 RS485/422 收发器
  • 电平变换器
  • 背板收发器
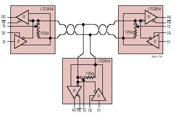
典型应用图
LTC2854 典型应用
参数
LTC2854 参数
LTC2854 订购信息和价格参考Package Variations and Pricing
器件型号 封装 引脚 温度 价格 (以 1 ~ 99 片为批量) 价格 (以 1000 片为批量) *
LTC2854CDD#PBF DFN 10 C $2.27 $1.55
LTC2854CDD#TRPBF DFN 10 C $1.61
LTC2854HDD#PBF DFN 10 H $3.00 $2.05
LTC2854HDD#TRPBF DFN 10 H $2.11
LTC2854IDD#PBF DFN 10 I $2.73 $1.86
LTC2854IDD#TRPBF DFN 10 I $1.92
LTC2854 数据手册及相关资料下载
  1. 数据手册 (英文) : LTC2854/LTC2855 - 3.3V 20Mbps RS485/RS422 Transceivers with Integrated Switchable Termination.PDF
  2. 可靠性数据 : R521 Reliability Data .PDF
  3. 产品选型卡 : Ultra Rugged ±60V RS485 Transceivers.PDF
  4. 产品选型卡 : RS485 Quick Guide.PDF