RH119 High Performance Dual Comparator
The RH119 dual comparator features low input offset voltage and offset current, high voltage gain, guaranteed common mode rejection and input protection diodes.
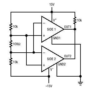
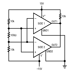
The RH119 is capable of operation over a supply range from 5V to ±15V and can drive 25mV leads from each open collector output. A separate GND pin allows the RH119 to isolate system grounds.
The wafer lots are processed to linear Technology’s in-house Class S flow to yield circuits usable in stringent military applications
产品特点 Features
- ABSOLUTE MAXIUM RATINGS
- Supply Voltage.....36V
- Output to Negative Supply Voltage.....36V
- Ground to Negative Supply Voltage.....25V
- Ground to Positive Supply Voltage.....18V
- Diffierential Input Voltage.....±5V
- Differential Input Current.....�5mA
- Input Voltage (See Note 1) Output Short-Circuit Duration 10 sec
- Operating Temperature Range.....�55°C to 125°C
- Storage Temperature Range.....�65°C to 150°C
- Lead Temperature (Soldering, 10 sec)......300°C
|
典型应用图
参数
 |
RH119 数据手册及相关资料下载
- 数据手册 (英文) : RH119 - DICE SPECIFICATION.PDF
- 可靠性数据 : R069 Reliability Data .PDF