AM42-0039 2 Watt C-Band VSAT Power Amplifier 5.9 - 7.1 GHz

The AM42-0039 is a three stage MMIC power amplifier in a lead-free, bolt down ceramic package, allowing easy assembly. This device employs a fully matched chip with internally decoupled gate and drain bias networks. The device is designed to operate from a constant current drain supply or a constant voltage gate supply. By varying the bias conditions, the saturated output power performance of this device may be tailored for various applications. The AM42-0039 is ideally suited for use as an output stage or a driver amplifier in VSAT systems. The AM42-0039 includes internal supply line bypassing in the package, minimizing the number of external components required. The AM42-0039 is fabricated using a mature 0.5 micron MBE based GaAs MESFET process. The process features full passivation for increased performance and reliability. This product is 100% RF tested to ensure compliance to performance specifications.

技术特性 Features
  • High Linear Gain: 33 dB Typical
  • High Saturated Output Power: +33 dBm Typ.
  • High Power Added Efficiency: 25% Typ.
  • 50 Ω Input / Output Broadband Matched
  • Integrated Output Power Detector
  • Lead-Free Bolt Down Ceramic Package
  • RoHS* Compliant and 260°C Reflow Compatible
订购信息 Ordering Information
  • AM42-0039 CR-15 Ceramic Bolt Down Package
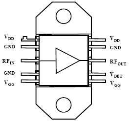
功能框图 Functional Block Diagram
AM42-0039 功能图框

应用技术支持与电子电路设计开发资源下载 版本信息 大小
AM42-0039 数据资料DataSheet下载:PDF Rev.V2 Rev. V3