MAAM26100-B1 GaAs MMIC Power Amplifier 2.0 - 6.0 GHz
The MAAM26100-B1 is a GaAs MMIC two stage high efficiency power amplifier in a small, lead-free, 7-leadceramic package. The MAAM26100-B1 is a fully monolithic design which eliminates the need for external circuitry in 50-ohm systems. The MAAM26100-B1 is ideally suited for driver amplifiers and transmitter outputs in UMTS applications, test equipment, electronic warfare jammers, missile subsystems and phased array radars. The MAAM26100-B1 is fabricated using a mature 0.5-micron gate length GaAs process. The process features full passivation for increased performance reliability.
技术特性 Features
- Saturated Power: 30.5 dBm Typical
- Gain: 19 dB Typical
- Power Added Efficiency: 30%
- DC Decoupled RF Input and Output
- Lead-Free 7-Lead Ceramic Package
- RoHS* Compliant and 260°C Reflow Compatible
订购信息 Ordering Information
- MAAM26100-B1 7 lead, Ceramic (CR-2)
- MAAM26100-B1G 7 lead, Ceramic (CR-2) with Gull Wing
|
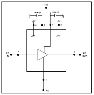
功能框图 Functional Block Diagram

|