MAAM26100 GaAs MMIC Power Amplifier 2.0 - 6.5 GHz
The MAAM26100 is a GaAs MMIC two stage high efficiency power amplifier. The MAAM26100 is a fully monolithic design which eliminates the need for external circuitry in 50-ohm systems. The MAAM26100 is ideally suited for driver amplifiers and transmitter outputs in UMTS applications, test equipment, electronic warfare jammers, missile subsystems and phased array radars. The MAAM26100 is fabricated using a mature 0.5-micron gate length GaAs process. The process features full passivation for increased performance reliability.
技术特性 Features
- Saturated Power: 30.5 dBm Typical
- Gain: 19 dB Typical
- Power Added Efficiency: 30%
- On-Chip Bias Network
- DC Decoupled RF Input and Output
- RoHS* Compliant
订购信息 Ordering Information
|
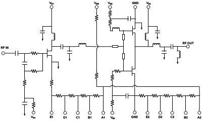
功能框图 Functional Block Diagram

|