MAAM71100 GaAs MMIC Power Amplifier 7.0 - 11.0 GHz

The MAAM71100 is a GaAs MMIC two stage high efficiency power amplifier. The MAAM71100 is a fully monolithic design for operation in 50 Ω systems, with an on-chip negative bias network which eliminates the need for external bias circuitry.

技术特性 Features
  • +31 dBm Typical Saturated Power
  • 18 dB Typical Gain
  • 30% Typical Power Added Efficiency
  • On-Chip Bias Network
  • DC Decoupled RF Input and Output
订购信息 Ordering Information
  • MAAM71100 Die
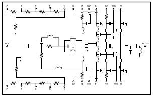
功能框图 Functional Block Diagram

MAAM71100 功能框图


应用技术支持与电子电路设计开发资源下载 版本信息 大小
MAAM71100 数据资料DataSheet下载:PDF Rev.V2 2 页