MAAMSS0045 High Dynamic Range Low Noise Amplifier 1400 - 2000 MHz
M/A-COM’s MAAMSS0045 is a high dynamic range, GaAs MMIC, low noise amplifier in a lead-free SOIC 8-lead, surface mount, plastic package. It employs external input matching to obtain optimum noise figure performance and operating frequency flexibility. The MAAMSS0045 also features flexible biasing to control the current consumption vs. dynamic range trade-off. The MAAMSS0045 can operate from any positive supply voltage in the 3 V to 8 V range. Its current can be controlled over a range of 20 mA to 60 mA with an external resistor. The MAAMSS0045 is ideally suited for use where low noise figure, high gain, high dynamic range, and low power consumption are required. Typical applications included receiver front ends in PDC, DCS-1800, DCS-1900 and other PCN/PCS base stations. It is also useful as a gain block, buffer, driver, and IF amplifier in both fixed or portable PDC and PCN/PCS systems. The MAAMSS0045 is fabricated using a low-cost 0.5-micron gate length GaAs process. The process features full passivation for increased performance and reliability. The MAAMSS0045 is 100% RF tested to ensure performance specification compliance.
技术特性 Features
- Low Noise Figure: 1.4 dB
- High Input IP3: +18 dBm at 8 V, 45 mA bias +8 dBm at 3 V, 20 mA bias
- High Gain: 14 dB
- Single Supply: +3 to +8 VDC
- Adjustable current: 20 to 60 mA with external resistor
- Lead-Free SOIC-8 Package
- 100% Matte Tin Plating over Copper
- Halogen-Free “Green” Mold Compound
- 260°C Reflow Compatible
- RoHS* Compliant Version of AM50-0004
订购信息 Ordering Information
- MAAMSS0045 Bulk Packaging
- MAAMSS0045TR-3000 3000 piece reel
- MAAMSS0045SMB Sample Test Board
|
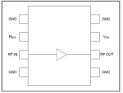
功能框图 Functional Block Diagram

|