MAAP-008924 Amplifier, Power, 1.2 W 10 - 13.3 GHz
The MAAP-008924 is a 3-stage, high linearity 1.2 W GaAs power amplifier in a 5mm, 20 lead PQFN package, allowing easy assembly. This PA product is fully matched to 50 ohms on both the input and output. It can be used as a power amplifier stage or as a driver stage in high power applications. It is ideally suited for Point-to-Point Radios. Each device is 100% RF tested to ensure performance compliance. The part is fabricated using M/A-COM Technology Solutions’ high linearity MESFET Process.
技术特性 Features
- OIP3: 44 dBm
- Gain: 20 dB
- P1dB: 31 dB
- Lead-Free 5 mm 20-lead PQFN Package
- Halogen-Free “Green” Mold Compound
- RoHS* Compliant and 260°C Reflow Compatible
- Class 1C ESD Rating
订购信息 Ordering Information
- MAAP-008924-TR0500 500 piece reel
- MAAP-008924-TR1000 1000 piece reel
- MAAP-008924-001SMB Sample Board
|
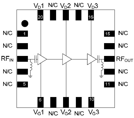
功能框图 Functional Block Diagram

|