MAAPSS0066 WDCT Power Amplifier 2400 - 2500 MHz
The MAAPSS0066 is a three stage power amplifier designed for Cordless Telephone applications. This power amplifier is packaged in a standard outline, lead-free 3 mm 12-lead PQFN plastic package. The MAAPSS0066 features an integrated bias controller that allows for micro amp shut down current.
技术特性 Features
- Ideal for WDCT Applications
- Saturated Output Power: +25 dBm Typical
- Power Gain: 25 dB Typical
- Low Current: 400 mA at PSAT
- Micro-Amp Shutdown
- Operates from 1.5 V to 4.0 V
- VEN configurable for either 1.7 V or 2.5 V
- Lead-Free 3 mm 12-Lead PQFN Package
- 100% Matte Tin Plating over Copper
- Halogen-Free “Green” Mold Compound
- RoHS* Compliant and 260°C Reflow Compatible
订购信息 Ordering Information
- MAAPSS0066 Bulk Packaging
- MAAPSS0066TR-3000 3000 piece reel
- MAAPSS0066SMB Sample Test Board(Includes 5 Samples)
|
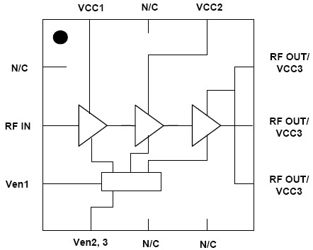
功能框图 Functional Block Diagram
 |