MABACT0066 Transformer, 4:1 transmission line 5 to 1000 MHz
M/A-Com Technology Solutions MABACT0066 is a 4:1 RF flux coupled step up transformer in a low cost, surface mount package. Ideally suited for broadband CATV Broadband applications.
技术特性 Features
- Surface mount
- 4:1 Impedance ratio
- Excellent amplitude and phase balance
- Can be used in both 50Ω and 75Ω systems
- 260°C reflow compatible
- RoHS* compliant, Pb free
- Available on tape and reel.
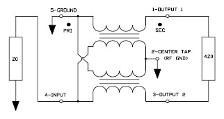
电路原理图 Schematic

|
订购信息 Ordering Information
- MABACT0066 2000 piece reel
- MABA-007968-CT66TB Customer Test Board
MABACT0066 产品实物图

|